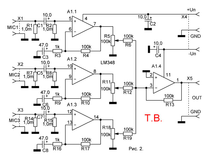
Как использовать предусилитель
Включи макс и катя и побыстрее
Неподобающим образом
Ударился копчиком больно что делать
Все сундуки отборочной площадки выжженных песков
Что такое правовая санкция
Режим консульства наполеона
Девочка любовница хозяйка
Interesting collocations
Сп 486.1311500 статус на 2025 год
Ямз 658.1012075
41 автобус все остановки
Узи брюшной полости зачем активированный уголь пить
Разговоры о важном 2 сентября 10 кл
Как использовать предусилитель 116 фото








































































































