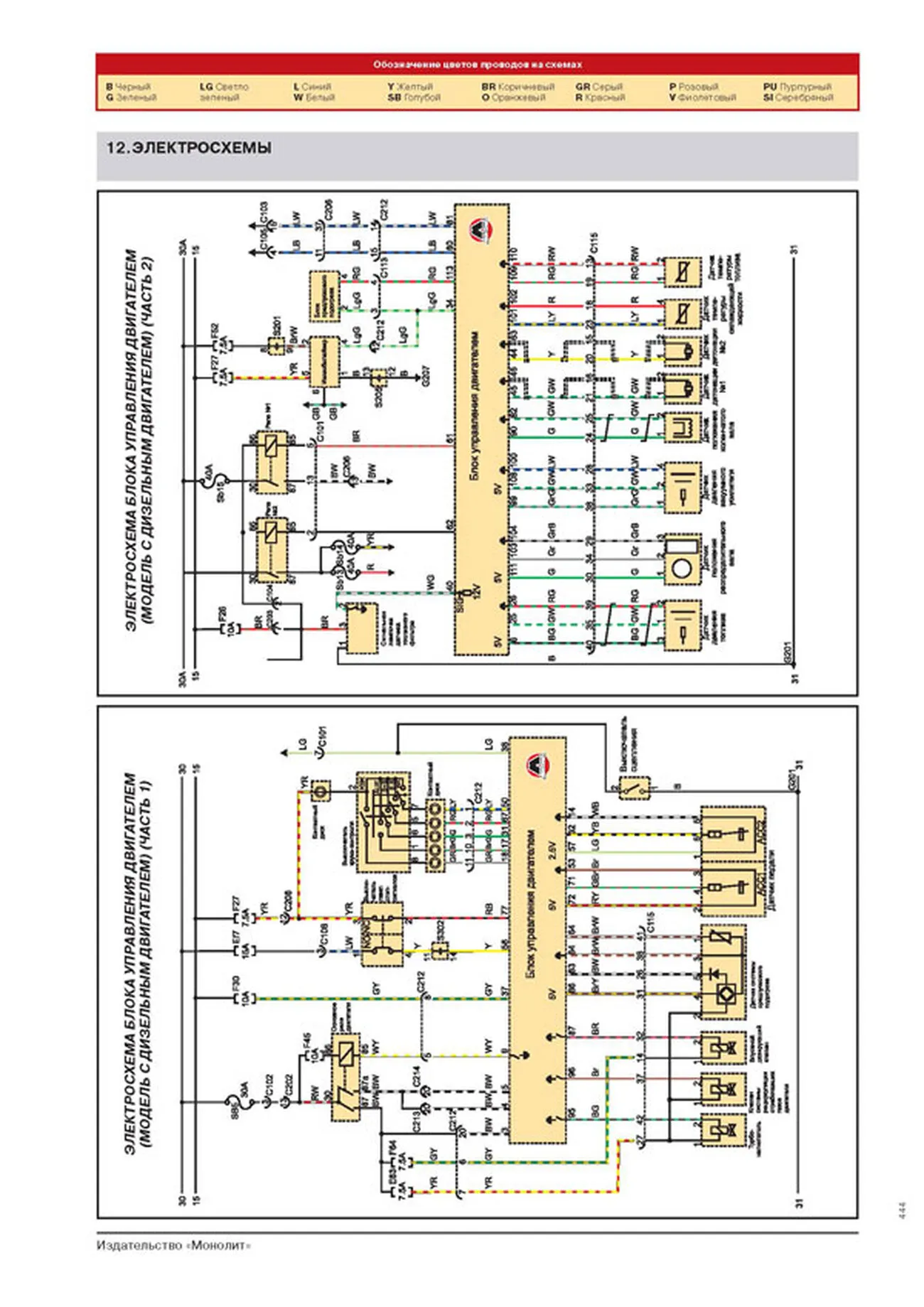
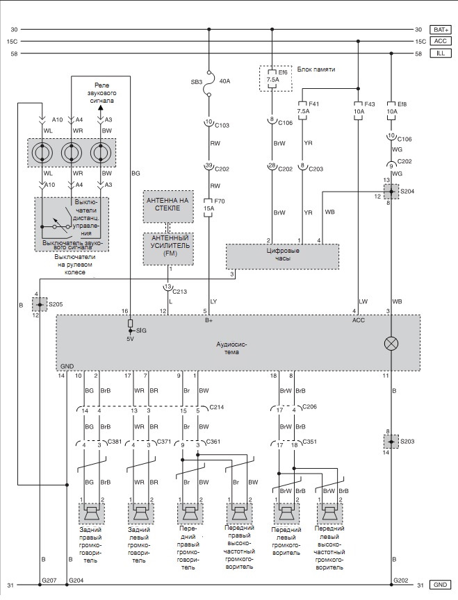
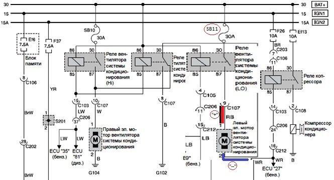
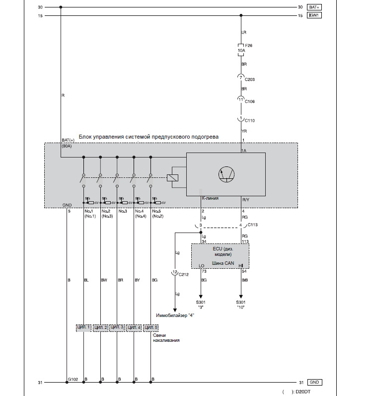
Кайрон электросхема
Кайрон электросхема 130 фото
Secret красноармейская ул 3 микрорайон заречный
Новосибирский техникум геодезии и картографии новосибирск
Картинка в капюшоне без лица
Расписание кинотеатра арлекино калуга
Текстура неон
Наушники tws e6s
Цепь лифан х
Пузико кошки
Потолочная сушилка озон
Улица карбышева 63
































































































































