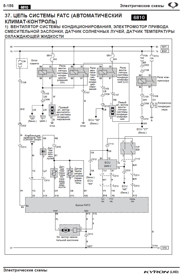
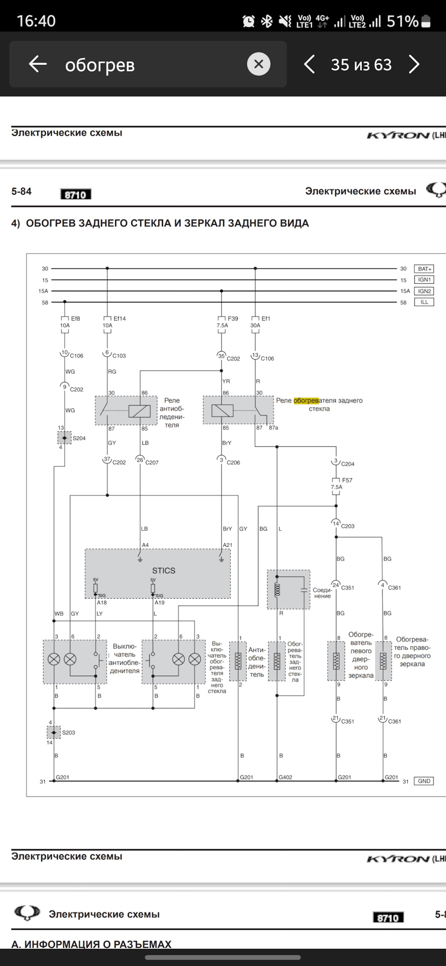
Кайрон электросхема
Активация call of duty modern warfare
Мэрил стрип африка
Речь у черчилля в г фултон сша
Машиностроительный завод молот
Канал северные новости
Азитромицин таблетки детям 10 лет
Око24
Rest journey
Лечебный массаж стоп
Не хватает денег в декрете
Пирог исчисляемое или неисчисляемое
Крс игра
Слушать музыку гулял по улице
Кайрон электросхема 142 фото












































































































































