Jcm800 Dating

⚡ 👉🏻👉🏻👉🏻 MORE INFO CLICK HERE 👈🏻👈🏻👈🏻
Marshall Date Codes - Voodoo Amps
Dating JCM800 cabinet | MarshallForum .com
Dating a Marshall cab | The Gear Page
Marshall JCM 800
How To Date A Marshall Amp | Reverb News
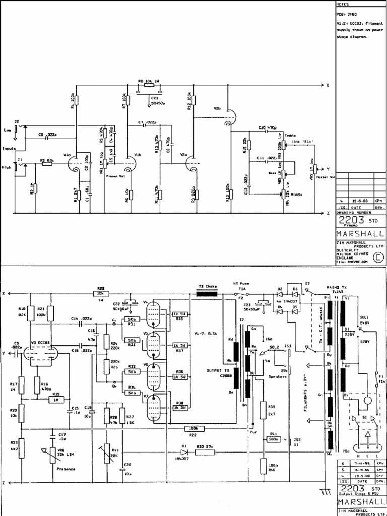
How the Marshall Plexi, 2204 and JCM800 . . . - Rob Robinette
Marshall JCM800 - Wikipedia
Marshall serial numbers and dating - FUZZFACED
Best "JCM800 In A Box" Pedal - Ultimate Guitar
The Marshall cabinet database @ www .marstran .com
Best Dating Apps Philippines
Your Delivery Date Is Estimated In
Best Anime Dating Sim Games
www .voodooamps .com › home › DateCodes › tabid › 116 › Default .aspx
MARSHALL DATE CODES Early Marshall through the JCM800 series . July of 1969 Marshall introduced the date coding system . Some of the older amps have an inspection sticker on the top of the chassis and they usually have the day, month and year the amp was made or inspected .
www .marshallforum .com › threads › dating-jcm800-cabinet .33260
Dating JCM800 cabinet . Discussion in 'Cabinets & Speakers' started by DonnieConlin, Sep 26, 2011 . DonnieConlin New Member . Joined: Sep 26, 2011 Messages: 1 Likes Received: 0 Location: Old Town, FL . Picked up a TSL100 head and cabinet yesterday, Identifing the head was easy by the barcode, not so easy for the cabinet .
If it has a set of features that make it, say, early JCM800 , and you can't date it accurately from the speakers, then it's simply an early JCM800 . There's no difference between any of the cabinets in a period where the features didn't change, they are just cabinets . Knowing the 'actual' year doesn't make it any more valuable .
www .pierreschwartz .com › Marshall JMC 800 .htm
The newest models are incredibly easy to date (read on, if you aren't already aware of the current serial numbering system) but dating older amps (pre-1993) are slightly more involved . Here's the story so far… July 1969 - September 1992 . In July of '69, Marshall introduced their first date code system .
Marshall used letters as a date code to represent year of production . It's important to note that, prior to 1984, this letter came last . The letter B was skipped, as were the letters I, O and Q since they might be confused for numbers . Use the model codes and date codes below to determine the model and age of your amp .
The Birth of the High Gain Amplifier 2203 Master Volume 100 Watt, 2204 50 Watt and JCM800 Lead Series Preamp . Introduced in 1974, the "Master Volume Lead" series amps were Marshall's first true high gain amplifiers .They cascaded the Plexi's bright channel into the normal channel, added a pre-phase inverter master volume and cold biased "cold clipper" gain stage and tweaked the resulting . . .
The JCM800 series (Models 2203, 2204, 2205 and 2210) is a line of guitar amplifiers made by Marshall Amplification .The series was introduced in 1981 . Although models 1959 and 1987 had been in production since 1965 and the 2203 and 2204 had been in production since 1975, they were redesigned and introduced as JCM800 amplifiers in '81 .
MASHALL SERIAL NUMBERS AND DATING . For the most part it's really quite easy to date Marshalls, either by using the serial number or by studying the cosmetics . From a dating point of view they fall into three groups: 1962-1964; 1965-June 1969; and July 1969 onwards . Please remember, however, that the Marshall dating system only applies to . . .
That pedal is a spot on Marshall JCM800 in a box . Not very expensive, either . The Wampler Plexi Drive . The M-Audio Crunch Box . JHS AT, or Angry Charlie . The old Marshall Guv'nor . A couple of . . .
www .marstran .com › cabdata › cabdata .html
The Marshall speaker cabinet database . Imp . (Ω) brown 2-tone basketw . brown 2-tone basketw . brown 2-tone basketw . brown 2-tone basketw . brown 2-tone basketw . brown 2-tone basketw .
Online Senior Dating Reviews
Custom Dating Profile
List Of Free Black Dating Sites
He Already Dating Someone New
Top Dating Websites Singapore
Hud Dating App Delete Account
Free Regina Dating Sites
Watch Dating In The Dark Online UK
Dating In Lansing Mi
Dating A Younger Guy In Your 20s
Protocol For Online Dating
Dating Website In Dubai
Dating Scams Ghana
Dating Site Framework
Vizag Dating Aunties
Oasis Dating America
Iranian Dating Site Vancouver
Dating A Minor Texas Law
Compare Online Dating Prices
Call Me Maybe Dating Cards
Messianic Dating Australia
Internet Dating Second Message
Dating Generation Y Military
Top Five Dating Apps
We Been Dating For A Year
Family Guy Dating App
Free Mobile Dating Sites In Germany
What First Message Online Dating
Articles About Dating And Courtship
Nt Dating
Online Dating Website Vancouver
Dating In Uganda Girl
Example Great Female Dating Profile
Good Dating Emails Examples
Dating By Interests
Dating Sites Vergleich
Android App For Indian Dating
Top 5 Dating Sites Toronto
Dating A Muslim Man
Dunhill Pipes Dating Guide
Am I Naive Dating
Hilarious Dating Fails
Dating Sacramento
Explain The Process Of Absolute Dating
Poem Dating
The Best Nigerian Dating Sites
Pg Dating Pro 2022 Full Nulled Working
100 Free Dating Site Sweden
Dating Website Framework
Speed Dating Whistler
Sp Dating Site
Afro Dating Germany
Jessica Guide To Dating On The Dark Side Tuebl
Different Types Of Online Dating
Dating Low Hanging Fruit
Speed Dating Atlanta Reviews
Dating Sites Self Esteem
Russian Pairs Skaters Dating
Free Millionaire Dating Sites Australia
Funny Opening Internet Dating Lines
Naturist Dating
Cameroon Dating Sites Free
Dating Divas Hotel
Christian Online Dating Adelaide
Dating Tampa Fl
Online Dating Works Or Not
How Is Carbon 14 Used In Radiometric Dating
Persian Dating Site Canada
Elle UK 40 Days Of Dating
Uk Dating In The Dark
Good Profile For Internet Dating Examples
Cameron Dallas And Lauren Dating
Online Dating Sites For Married Couples
Dads Against Daughters Dating T Shirt Walmart
Baboo Dating Site
Online Dating Dangers Essay
Dating Site Over 40 Canada
Dates In English
Enfp Dating Istp
Speed Dating Manchester Trof
Free Asian Dating Sites USA
Dating A Divorced Man With A Daughter
Dating The Enemy Watch Online
Uk Dating Site Reviews
Wp8 Dating Apps
Tzaneen Dating Zone
Online Dating Facetime
USA Dating Sites For Professionals
How To Tell Parents About Online Dating
Rome Patchata Nampan Dating
Cougars Dating
Online Dating Profil Gestalten
Dating Site For Sugar Mummies In Kenya
Who Is Jai Brooks Dating
Dating Lesbian UK
What Is 3rd Base In Dating
Kampala Online Dating
New Zealand Dating Singles
Cloud Romance Dating Site
Samples Of Well Written Online Dating Profiles
Jcm800 Dating
c_fill">fl_progressive">g_center">h_630">q_auto:eco">w_1200/v1428089415/oz8nj6ny80dmcsx7wzvn.jpg">























































































