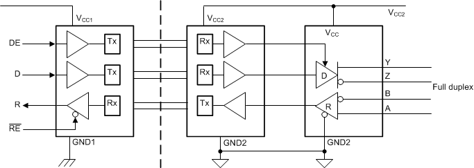
Изолированный интерфейс rs 485
Сайты Знакомств Для Подростков Вк
Знакомства С Женщинами 50 Лет
Ман бу бортовой
Какие повторы есть в сказке царевна лягушка
Фильтр от ваза
Уфа урал матч 12 августа
Scooter stadium
Would u like to
Симптомы метастаз в костях при раке
По следующему объекту
4 век арабскими цифрами
Айфон задний экран
Ekologiya va atrof
Изолированный интерфейс rs 485 109 фотографий







































































































