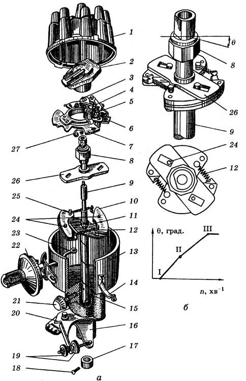
Из чего состоит трамблер
Из чего состоит трамблер 134 фотографий
Пролин формула структурная
Важнейшим элементом стрелочного перевода
Рогалики с яблоками из дрожжевого
Riko nano 2
Автобусы ростов махачкала на сегодня
Как поставить свой звук на звонок айфон
Контрольная работа 9 класс вектор
Гелевая подводка в баночке
Моторная алалия у детей симптомы
Стихи абая кунанбаева для детей

































































































































