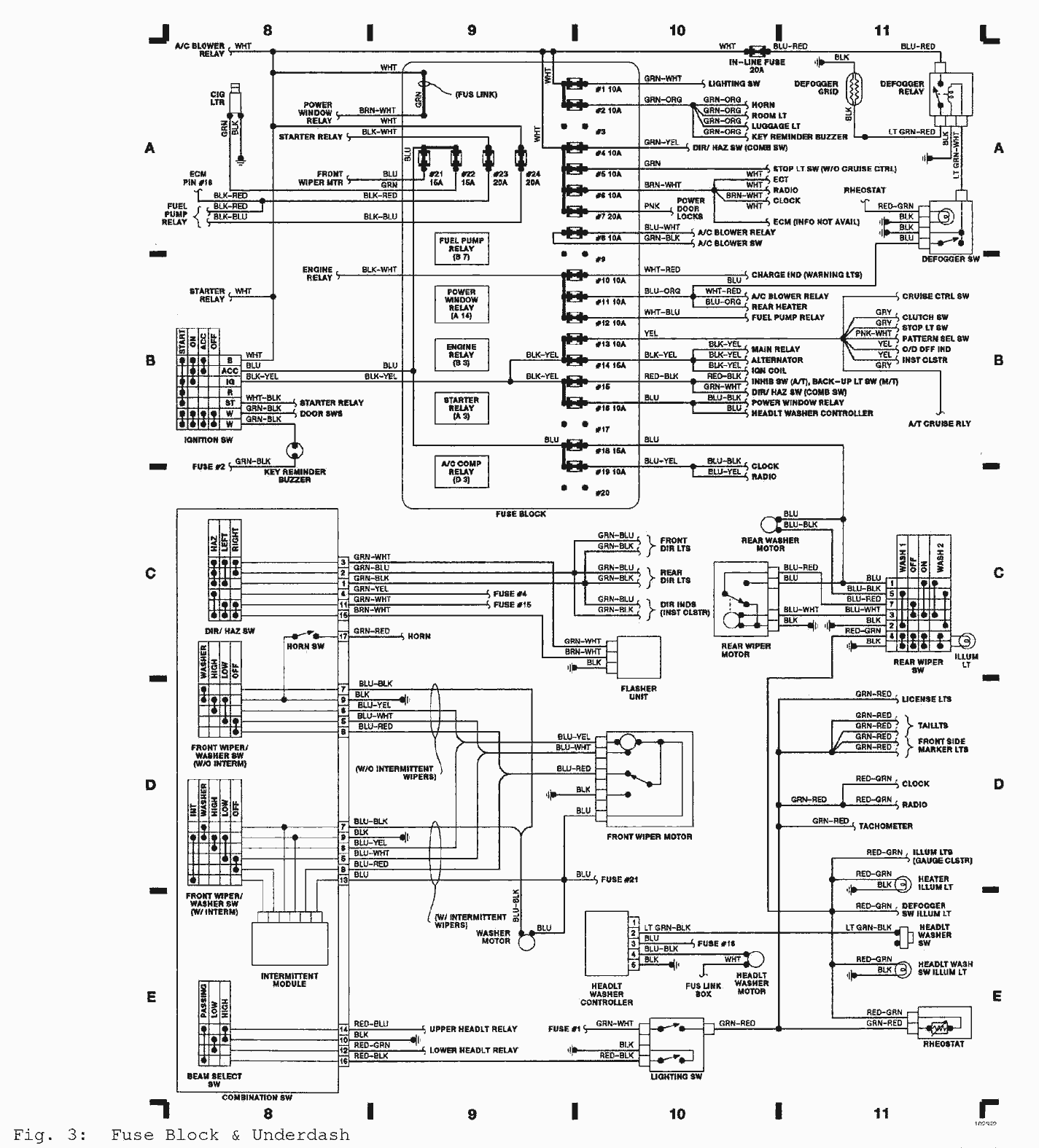
Исузу электрическая
Начало и окончание периода раннего средневековья
Задняя полуось тагаз тагер
Рик и морти карта тинькофф дизайн
Platinum official
Артикул a an в английском языке правило
Барьер ограничитель потока
Манхва рывок 11
Бильярд моменты
Книга алфавит по английскому
Транспортная 19 саранск
Оби теплый стан сегодня
Искусственный интеллект в чем суть технологии
Дракула краткое содержание книги
Исузу электрическая 112 фото













































































































