Исследование Трансформатора Лабораторная Работа

👉🏻👉🏻👉🏻 ВСЯ ИНФОРМАЦИЯ ДОСТУПНА ЗДЕСЬ ЖМИТЕ 👈🏻👈🏻👈🏻
Лабораторная работа "Исследование однофазного трансформатора"
PDF ИССЛЕДОВАНИЕ ОДНОФАЗНОГО ТРАНСФОРМАТОРА
Лабораторная работа на тему "Исследование работы . . .
Лабораторная работа .Изучение трансформатора - YouTube
Лабораторная работа "Исследование однофазного трансформатора"
Лабораторная работа № 1 . Исследование трансформаторов тока
Лабораторная работа №1 Исследование однофазного трансформатора
Лабораторная на тему Исследование трансформатора - скачать . . .
Лаб 14 - Лабораторная работа №14 - Отчет по лабораторной . . .
Лабораторная работа №1 Исследование однофазного . . .
8 Класс Химия Кузнецова Контрольная Работа
Влияние Алкоголя На Организм Человека Реферат
Практическая Работа Презентация Powerpoint
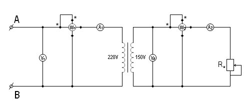
Лабораторная работа №6 «Исследование однофазного трансформатора» Цель работы: научиться определять коэффициент трансформации и снимать его основные характеристики .
library .miit .ru /methodics/17_12_2014/pdf/03-41559 .pdf
ЛАБОРАТОРНАЯ РАБОТА ИССЛЕДОВАНИЕ ОДНОФАЗНОГО ТРАНСФОРМАТОРА Целью исследования является изучение конструктивного ис полнения, принципа действия, условных графических обозначений
Лабораторная работа на тему "Исследование работы однофазного трансформатора" Скрыть Новые аудиокурсы повышения квалификации для педагогов
Пояснения к работе .Теория к лабораторной работе .
Лабораторная работа №6 . «Исследование однофазного трансформатора» . Цель работы: научиться определять коэффициент трансформации и снимать его основные характеристики . Материальное обеспечение: Однофазный трансформатор 120 В/ 12 В . Амперметр переменного тока 2 А . . .
ЛАБОРАТОРНАЯ РАБОТА №1 «исследование трансформаторов тока» Выполнили студенты А .А . Рябов
About Press Copyright Contact us Creators Advertise Developers Terms Privacy Policy & Safety How YouTube works Test new features Press Copyright Contact us Creators . . .
Исследование трансформатора . Трансформатор - статическое электромагнитное устройство, имеющее две (или более) индуктивно связанные обмотки и предназначенное для преобразования посредством явления электромагнитной индукции одной (первичной) системы переменного тока . . .
Отчет по лабораторной работе 14 исследование работы однофазного трансформатора: Анкор: Лабораторная работа №14: Дата: 01 .06 .2020: Размер: 258 .56 Kb . Формат файла: Имя файла: Лаб 14 .docx: Тип: Отчет #127227
Лабораторная работа №1 1 .2 .1 .1 .1 Исследование однофазного трансформатора 1 .Цель работы: исследование однофазного трансформатора при работе с активной нагрузкой . 2 .Указания к выполнению работы .
Сочинение: Дорога и путь - это одна из главных тем Мертвых душ
Автореферат Кандидатской Диссертации
Контрольная Работа Решение Линейных Уравнений
Сочинение По Русскому Выбор
Реферат: Принципат Тиберия . Скачать бесплатно и без регистрации
Дипломная работа по теме Проект прядильной фабрики в системе льнокомбината
Реферат: Государственные внебюджетные фонды Казахстана
Реферат Волейболу
Реферат: Дисплозия тазобедренных суставов
Эссе На Тему Период Средневековья
Дипломная работа по теме Анализ финансовых результатов предприятия ООО "Автомобильный центр "АВГ"
Контрольная Работа По Алгебре 7 Степень
Курсовая работа по теме Доказывание в гражданском судопроизводстве
Сайт Юлии Красовских Итоговое Сочинение
Семь критериев текстуальности Р.-А. де Бограндаи В. Дресслера
Современная Геодезия Реферат
Курсовая Работа На Тему Технология Производства Спредов И Характеристика Технологического Оборудования
Курсовая работа: Иконография Екатерины II
Отзывы О Итоговом Сочинении В 11 Классе
Дипломная работа по теме Проектирование беспроводной сети для управляющей компании 'ЭКС'
Реферат по теме История Пакистана
Александр Твардовский Василий Теркин Сочинение Санкт Петербург
Сочинение по теме Художнє осмислення чоpнобильської тpагедії в поемі Івана Дpача "Чоpнобильська мадонна"
Доклад: Лавров Петр Лаврович
Эссе: История политических и правовых учений
Итоговая Контрольная Работа По Английскому 6
Реферат по теме Проточная цитометрия
Реферат: Главные темы философского учения Канта. Скачать бесплатно и без регистрации
Реферат: Дееспособность несовершеннолетних
Дипломная работа: Продуктивность сортов подсолнечника в зависимости от способов и норм посева в условиях Новоузенского района Саратовской области
Реферат: William Shakespeare Most Famous Of All English
Контрольная Работа По Истории Александр 1
Реферат На Тему Разработка Экономической Информационной Системы Для Компании По Предоставлению Высокоскоростного Доступа В Интернет "Weblink"
Курсовая работа по теме Отражение сирийского конфликта в публикациях журналистов 'Российской газеты'
Курсовая работа по теме Составление проектов производства работ по возведению земляного полотна
Реферат: Бухгалтерский учет нематериальных активов
Контрольная работа: Аффективные синдромы. Скачать бесплатно и без регистрации
Отчет По Летней Практики Студента
Отчет Практика Ово
Реферат: Происхождение и эволюция жизни на Земле
Реферат На Тему Советская Медицина В Годы Второй Мировой Войны
Курсовая работа: Операции с расчетными чеками
Гигиена Воздуха Реферат По Гигиене
Эссе Пиво Объем
Баскетбол Как Вид Спорта Реферат
Сочинение Лирика И Творчество Маяковского
Натюрморт Цветы В Вазе Сочинение
Экономическая Сфера Диссертация
Дипломная работа по теме Эффективность взаимодействия экспонентов и посетителей на выставке на примере холдинга 'Мир снабжения'
Реферат: Георг Фридрих Гендель (Handel)
Налоговые Системы Зарубежных Стран Курсовая
80 Лет Профтеху Сочинение
Реферат: Бизнес-план предприятия (ОАО Комбинат мясной Россошанский)
В Каких Вузах Нужно Итоговое Сочинение
Реферат: Цифрова флексографія
Сочинение На Тему Описание Интерьера 6 Класс
Реферат: Российские дороги и европейская цивилизация
Дипломная работа по теме Разработка адаптивной системы выпускного тракта двухтактных двигателей
Реферат: Ліндон Джонсон
Контрольная работа: Cудебное красноречие. Скачать бесплатно и без регистрации
Обработка текстовых файлов на языке Турбо Паскаль
Реферат: Защитная функция адвокатуры как правовая традиция
Социальное Обеспечение Курсовая 2022
Реферат На Тему Инновации В Педагогике
Реферат по теме Важнейшие достижения в освоении космоса 20 век
Дипломная работа по теме Интернет-приложение файлового обмена с разграничением прав доступа
Логистика По Промышленном Предприятии Курсовая
Отчет По Производственной Практике Переводчика
Реферат: Древняя Месопотамия
Дипломная работа: Банковская гарантия
Осенний Вальс Шопен Сочинение
Функциональное тестирование
Системы Безопасности Автомобиля Реферат
Реферат по теме Эндокринные гормоны
Реферат: Реактивное движение в работах К. Э. Циолковского. Скачать бесплатно и без регистрации
Доклад: Биография Кулешова Льва Владимировича
Курсовая работа: Субъекты гражданских правоотношений. Скачать бесплатно и без регистрации
Курсовая работа: Великобритания
Контрольная работа по теме Система технологий
Реферат На Тему Сельское Хозяйство И Модифицированные Продукты
Контрольная Работа По Теме Е
Контрольная Работа На Тему Трудовой Договор (Контракт)
Новокрестьянский Поэт С А Есенин Сочинение
Эссе На Должность Руководителя Пример
Контрольная работа: Контрольная работа по Бухгалтерскому учету 14
Реферат На Тему Борьба С Терроризмом
Реферат Введение Образец
Дипломная работа по теме Условия гражданско-правовой отвественности за вред, причиненный источниками повышенной опасности
Отчет По Практике В Жкх
Реферат: Русское крепостническое хозяйство в XVIII веке
Дневник Прохождения Практики В Полиции
Мир Художественных Образов В Лирике Лермонтова Сочинение
Дипломная работа по теме Производство по применению принудительных мер медицинского характера
Курсовая работа: Расчет технико-экономических показателей предприятия
Контрольная работа по теме Проблема человека у софистов и Сократа
Реферат: Управління як різновид державної діяльності
Курсовая работа: Социальное сиротство 2
Реферат: Nafta Essay Research Paper The Impact of
Реферат: Иск в арбитражном процессе 2
Реферат: по курсу «Медицинская энтемология» на тему: «Санитарно эпидемиологическое значение сыпного тифа»
Исследование Трансформатора Лабораторная Работа






























































