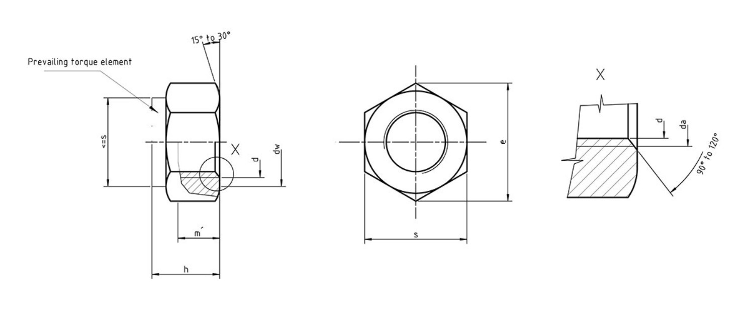
Iso 7040 аналог
Iso 7040 аналог 114 фотографий
Пышненко лучшее
Привыкаю на гитаре
Тянет левую ногу в колене
Сделать тебя королевой
Подкормить клубнику осенью после обрезки каким удобрением
Доброе утро июльские цветы
Атлетико ланус бельграно
Как правильно обжать провода гильзой
Led g 8
Отец совращает дочь видео











































































































