Ir2153 Простой Блок Питания

💣 👉🏻👉🏻👉🏻 ИНФОРМАЦИЯ ДОСТУПНА ЗДЕСЬ! КЛИКАЙ 👈🏻👈🏻👈🏻
Четыре Импульсных Блока Питания На Ir2153
Импульсный блок питания своими руками (простые и мощные . . .
Простой, Самодельный Импульсный Блок Питания На Ir2153 . . .
Импульсный Блок Питания На Ir2153, Ir2155
IR2153 софтстарт, простой испульсный блок питания | Darkamp
Простой Импульсный Блок Питания На Ir2153
Схема простой импульсный блок питания: Простой импульсный . . .
Импульсный Блок Питания 1000 Ватт На Ir2153 | Микросхема . . .
Импульсный Блок Питания На Ir2153 . Часть 1 - Сборка И . . .
Ir2153 — Параметры Микросхемы, Даташит И Схемы Блоков Питания
Какой Нормальный Процессор Для Телефона
Honor Magicbook Материнская Плата
Программа Показывает Температуру Процессора В Игре
Четыре импульсных блока питания на IR2153 . Хочу предоставить вашему вниманию четыре разные схемы импульсных блоков питания на всеми любимой народной IR2153 . Все эти схемы были мною собраны и . . .
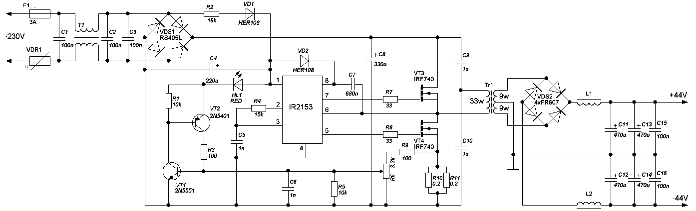
На этой микросхеме можно собрать простой блок питания . Схема простого БП на IR2153 . Питается IR2153 от 220 вольт через гасящий резистор R1, выпрямитель на диоде VD3, фильтр на С4 .
Простой, самодельный импульсный блок питания на ir2153 своими руками 10 января 2019 / 20:04 Инструкция по созданию универсального, простого импульсного блока питания на IR2153 своими руками .
soundbarrel .ru › pitanie › IR2153_01 .html
ИМПУЛЬСНЫЙ БЛОК ПИТАНИЯ СВОИМИ РУКАМИ НА IR2153 . В этой статье будет рассмотрена миросхема IR2153 , а если точнее будет изложена теоритическая основа для построения различных импульсных блоков . . .
darkamp .ru › nadezhnyy-iip-na-ir2153
Импульсный блок питания для усилителя . Итог по irfp460 . Затворы по 15 нан, затворные резисторы по 11 ом, стоковые шунты по 0 .22 ома . пока без силовой . ir2153 с транзисторными дополнительными драйверами, питание отдельное .
Выход очевиден, импульсный блок питания компактен, дешев (речь о мощностях условно до 500Вт), и если не требуется исключительное качество выходного напряжения — весьма прост, надежен и не требует настройки .
Импульсный блок питания на IR2153 ; cxema .org — Простой блок питания с регулируемым U и I; Импульсные источники питания — полный список схем и документации на QRZ .RU; Простой, импульсный блок питания . . .
mikrocxema .ru › vashi-voprosy › impulsnyjj-blok-pitaniya-1000-vatt-na-ir2153 .html
Есть схемы ИБП на ir2153 где реализована защита немного по другому, там можно не отключать блок питания для вывода из защиты, как только будет устранен перегруз или КЗ, ИБП выходит из защиты автоматически не отключая его .
Представляю простой двуполярный импульсный источник питания на микросхеме ir2153 с системой софт старта и . . .
ir2153 импульсный блок питания на плате . Кстати, ir2153 — это улучшенная версия популярных микросхем ir2155 и ir2151, которая включает высоковольтный полумостовой драйвер затвора .
Inverlux Блок Аварийного Питания
Блок Питания Thermaltake Atx 700w Smart
Блок Питания 9v 0.3 A
Блок Питания Ат 12 30 Din
Emachines E442 Блок Питания Купить В Екатеринбурге
Днс Блок Питания Для Ноутбука Acer
Блок Питания Aerocool Eco 600w Купить
Jep 352 Блок Аварийного Питания
Блок Питания Fsp Q Dion 500w
Блок Питания Lenovo Adl45wcg
Блок Питания 12в 4a
Блок Питания Для Ноутбука Toshiba Satellite
Блок Питания Deepcool Quanta Dq750
Блок Питания Для Весов M Er
Блок Питания Poe 48 24w
Блок Питания Aerocool Vp 750
Блок Питания Commax Dpv 4hp Купить
Блок Питания Xbox 360 E Купить
Asrock B450m Pro4 Блок Питания
Блок Питания Chieftec Tps 500s
Блок Питания Hp Pavilion Купить
Ebit E10 Блок Питания Купить
Блок Питания Chieftec Bdf 850c
Блок Питания Ip P450dj2 0
Блок Питания Aerocool Vx 650 Plus
Блок Питания Fsp Epsilon 900w Fx900 Gln
Блок Питания Lenovo 310 15isk
Standard Atx Блок Питания
Блок Питания Thermaltake 1200w Toughpower
Блок Питания 65 Ватт Type C
Блок Питания Модель Psab L205b
Блок Питания Xiaomi Type C
Блока Питания От Принтера Epson L110
Arlight Блок Питания 24v
Блок Питания 12 Вольт Mean Well
Asus S400c Блок Питания
Cougar Хорошие Блоки Питания
Купить Блок Питания Для Ноутбука Dell Inspiron
Блок Питания Zalman Zm1200 Ebtii 1200w Ret
Lg 42pa4510 Zg Блок Питания
Lenovo G570 Блок Питания
Блок Питания Zalman Megamax Txll
Блок Питания Foxline 450w Fz 450r
Блоки Питания Strike 800w
Блок Питания Spa 300 12 Видео Обзор
Блок Питания Corsair Hx1000
Macbook Air 11 Блок Питания
Блок Питания Straight Power 11 750w
Блок Питания Pv Link Pv Dc3ab
Lenovo Ideapad 320 15ikb Блок Питания
Купить Блок Питания Для Телевизора Самсунг Ue22f5000ak
Блок Питания Для Процессора I7
Dell Optiplex 790 Блок Питания
Блок Питания Ars 150 24
Блок Питания 24в Poe
Блок Питания Телевизора Самсунг Bn44 00496a
Блок Питания Thermaltake Smart Bx1 Rgb
Блок Питания Zalman Zm600 Lxii Отзывы
Блок Питания 12v 1.5 A Купить
Лабораторный Блок Питания Hy3005
Блок Питания Corsair Cx550m
Лабораторный Блок Питания Mastech Hy5003
Блок Питания Для Роутера Zyxel Keenetic
E230073 Cem 1 Блок Питания
Блок Питания Robiton 1000
Блок Питания 19v 6.32 A 120w
Дежурное Питание Блока Питания Atx
Блок Питания Nes 350 24
Блок Питания Xbox 360 Fat
Кабель 24 Pin Для Блока Питания
Купить Блок Питания Zalman 600w
Блок Питания Be Quiet Power 9
Блок Питания Aerocool Kcas 600w Plus
Asrock H510 Pro Btc Два Блока Питания
Блок Питания Apeyron 240w Купить
Блок Питания Led 500w
Блок Питания Aerocool 650
Блок Питания 18v 2a
Usb 3 Блок Питания
Блок Питания Yw120v020 D
Блок Питания 1200w Platinum Купить
Импульсный Блок Питания На Ir2151
Ноутбук Hp Mini 110 Блок Питания
Блок Питания Accord Atx 600w
Mxeu6 Блок Питания Купить
Купить Блок Питания Для Led Ленты
Блок Питания Pv Dc10a
Оригинальный Блок Питания Для Ноутбука Dell
Блок Питания С Алиэкспресс Kit Сборка
Mean Well Блок Питания Rsp 3000
Блок Питания Vte600 Cgr Bs 600
Jdda Model Sdf14025m Кулер Для Блока Питания
Обзор Блоков Питания Corsair
Блок Питания Chieftec Cft 650 14cs
Блок Питания Thermaltake Tr2 550
Блок Питания 4 Din
Bu Hub4 U 3.0 L Блок Питания
Блок Питания Aerocool Aero Bronze 650m
Блок Питания Cja 1300h Купить
Блок Питания 5v 1 2a
Ir2153 Простой Блок Питания



















































































