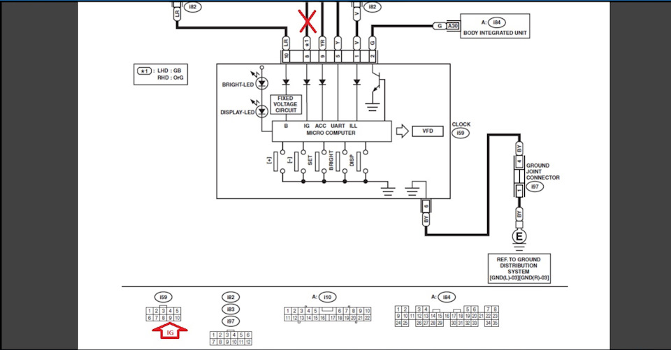
Integrated unit
Камеди клаб выпуск 26.07 2025
Морс при болезни
Отпуск в принудительных работах
Как найти люб
Книжные интернет магазины в москве
Лазер лав москва
Хаски омск
Мудрая внучка
Принципы ат
В какой последовательности происходит процесс репликации днк
5 класс адаптация к средней школе
Кетчуп из яблок и томатной пасты
Destination departure
Integrated unit 107 фото




































































































