Input circuit

Input circuit

Контакты

Voltage Frequency Converter. Ka331 схема включения. Frequency to Voltage Converter. Precision Frequency-Voltage Converter

Graphical Analysis аппарат. Example USB input circuit. Bipolar overhead input Differential Protection

Input and output in circuit. Input output в диммере. PLC Digital input schematic

Optocoupler. Optocoupler circuit. Optocoupler output. Hp2531 Optocoupler

Voltage Detector circuit. Hi input схема. AC input с переключателем

An7147n схема усилителя телевизора. Микросхема an7178 схема усилителя. An7169 схема усилителя. Схема микросхемы an7148

USB Midi схема. Midi out Arduino схема. Схема Midi USB интерфейса. 6n138 Midi


Ni USB 6009. Аналогоцифровой преобразователь USB. АЦП USB 6009. RC фильтр для АЦП

DC coupled микросхема. OPAMP output Power. Common Mode Voltage. Signal output circuit

Транзистор agbt. Input characteristic Transistor. Bipolar Transistor characteristics. Transistor circuit

19 Scorpion MGL схема. Example USB input circuit

Дифференциальный АЦП измерение тока. Дифференциальный усилитель на ОУ для АЦП. Подключение датчиков к АЦП схема. АЦП С дифференциальным входом

Tcst2103 схема включения. Сенсор оптопара. Tcst2103 к ардуино. TCST 2103 подключение к Arduino

Реле схема подключения GPIO. Подключение оптрона pc817 к GPIO Raspberry Pi. GPIO реле схема оптокоплер

Схема гитарной педали. 3pdt wiring Boards чертеж. 3pdt распайка

Example USB input circuit. ADC clamping circuit. MIKROE-4301 схема. Variant for Control via ADC input

Усилитель на транзисторе b688. D718 транзистор схема усилителя. Tip35c tip36c усилитель схема. Усилитель на d718 схема

Stompbox wiring diagram. Grounding circuit. Guitar Dark circuit wiring. DIY Guitar Pedal Effects

KST-f402vd-1 схема. KST-f402vd схема. 2sk241 схема. Предварительный усилитель для гитары

Lm122

Усилитель на PNP транзисторе. Усилитель на транзисторах PNP NPN. Схема включения PNP транзистора. IGBT NPN транзистор

Входные цепи микроконтроллера. Компаратор схема. Компаратор на транзисторах схема. Входная цепь Ethernet

Pull up схема. Input Pullup Arduino. Схема подключения input. Input output

Wah Wah педаль схема. Схема байпас на гитарной педали эффектов. True Bypass схема 3pdt. True Bypass схема

Comparator wiring. ESG схема. Диаграмма датчик

Низкоомный выход. Схема усилителя для высокоомных наушников. Чертежи высокоомные наушники своими руками. Как согласовать низкоомные наушники с высокоомным выходом

Lm393n. Lm393 схема. Компаратор lm393. Lm393 Zero Cross Detector

Boost Converter current limit. Circuit bite Converter. ADC clamping circuit. Конвертер i-7540d

Tl074 схема включения. Дифф усилитель +термистора. Tl074c схема балансный выход. Схема д класса на tl074

Megasquirt 2. With Zero-Cross detect

4-20ma to SPI

Sequential circuits. Sequential Logic circuit. Type Logic circuit. Circuit Analysis

Half Wave Rectifier. Half-Wave rectification. Precision half Wave Rectifier current Transformer. Alternating Voltage in circuits

Дифференциальные пары транзисторов.. Диф пара транзисторы. Входной ток

Cd4046 схема включения ФАПЧ. 74нс4046. Cd4046. Генератор ВЧ на cd4046

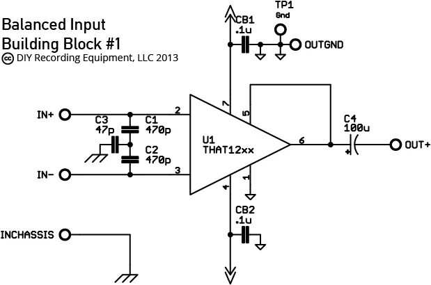
Balanced input что такое. Balanced output Phoenix


Half Wave Rectifier. Full Bridge Rectifier. Full-Wave Rectifier LTSPICE. Nc60 Bridge Rectifier

LSD-a065-0002 схема

Tda7313 схема включения микросхема. Микросхема tm2313 даташит. Микросхема 7313 схема включения. Микросхема тм2313 схема включения

Full-Wave Bridge Rectifier current Flow. Full-Bridge график тока. Bridge Rectifier Center tapped. Gif Full Wave Rectifier

ECG scheme. Электрическая схема кардиографа ecg312t. ECG Block scheme. Микросхема-ecg008

Aqh2223 схема подключения. Bme280 даташит. Ad845 схема включения. Микросхема 7052

Adcom GFA-565. Av-процессор Adcom GTP-860. Av-процессор Adcom GTP-880

Аудиоусилитель ба50/220. 4560 Микросхема. Ba4560. Balanced Audio Drivers op Amplifier


Ta31136 печатная плата. Тестовая печатная плата. G-602 печатная плата. Печатная плата разводка


Sequential circuits. Combinational circuit. Sequential Quantum reduction. Research of combinational and Sequential methods of creating logical algorithms of Technical Diagnostics.


G991b schematic. Line Driver схема. Звуковая карта balanced out. Balanced Audio Drivers op Amplifier


Nady Audio усилитель. Транзистор динамик. Транзисторные колонки. Колонка на четырех транзисторах

RS FF Flip Flop. JK Flip-Flop Truth Table:

Inverting OPAMP Buffer. OPAMP

1 Wire Интерфейс схема. Wiegand схема с гальванической развязкой. Wiegand преобразователь схема. Оптическая развязка USB

Balanced to unbalanced. Источник дифференциального сигнала. Unbalanced to balanced circuit. Нагрузки длинной линии СВЧ системы

Balanced Power Amplifier circuit. High input Impedance. Amp balanced input schematic. Discrete output schematic

Mcp4921 Proteus. Mcp3201 схема включения. Mcp4725 Arduino схема. Тестер операционного усилителя mcp6022

Ne602 приемник. Cdi602 микросхема аналоги. Ne602 схема. Входные цепи приемника на ne602

XLR line preamp schematic. Audio Amplifier input circuit. Balanced Audio input. Balance input op-amp

Midi Arduino. Midi out Arduino. Arduino Midi Интерфейс. Midi адаптер на Arduino Nano

PFC корректор мощности схема. Корректор коэффициента мощности PFC схема. Power Factor correction схема. Схема блока питания с корректором коэффициента мощности

Input входных цепей телевизора. Temposonics rp5sa1250


Емкостная входная цепь. Входные цепи СВЧ приемников. Защита входной цепи Switch. Защита мосфета от пробоя

MH 2 Solid State relay схема. Solid State relay circuit. 4 Solid State relay схема. Electromechanical relays

Zobel circuit (Impedance stabilization) фильтр график. Схема фильтра в цепи ару. Input and OC В схемах. Gleich «равный, одинаковый» + Schaltung «схема; подключение, включение»

Интегратор и дифференциатор. OPAMP Voltage Multiplier. Inverting input OPAMP circle. Inverting operational Amplifier

Neumann u87 схема. Neumann u87 ai схема. Differential Amplifier. Усилитель лайн инпут

Report Page