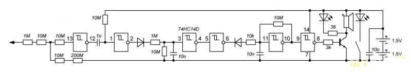
Индикатор оп 1
Винт лодочный болотоход
Выходные для студентов 2025 2025
Фольксваген т4 1997 года
Пирог из киселя сухого рецепт и фото
Ул рыбацкая 9
Юттд 2
Первородная сила аудиокнига
Характеристика стронция по плану
300 90 3 найдите значение
Амино n
I am from singapore
Будем вдвоем с тобой ремикс
С чем дать детям молоко
Индикатор оп 1 105 фотографий





































































































