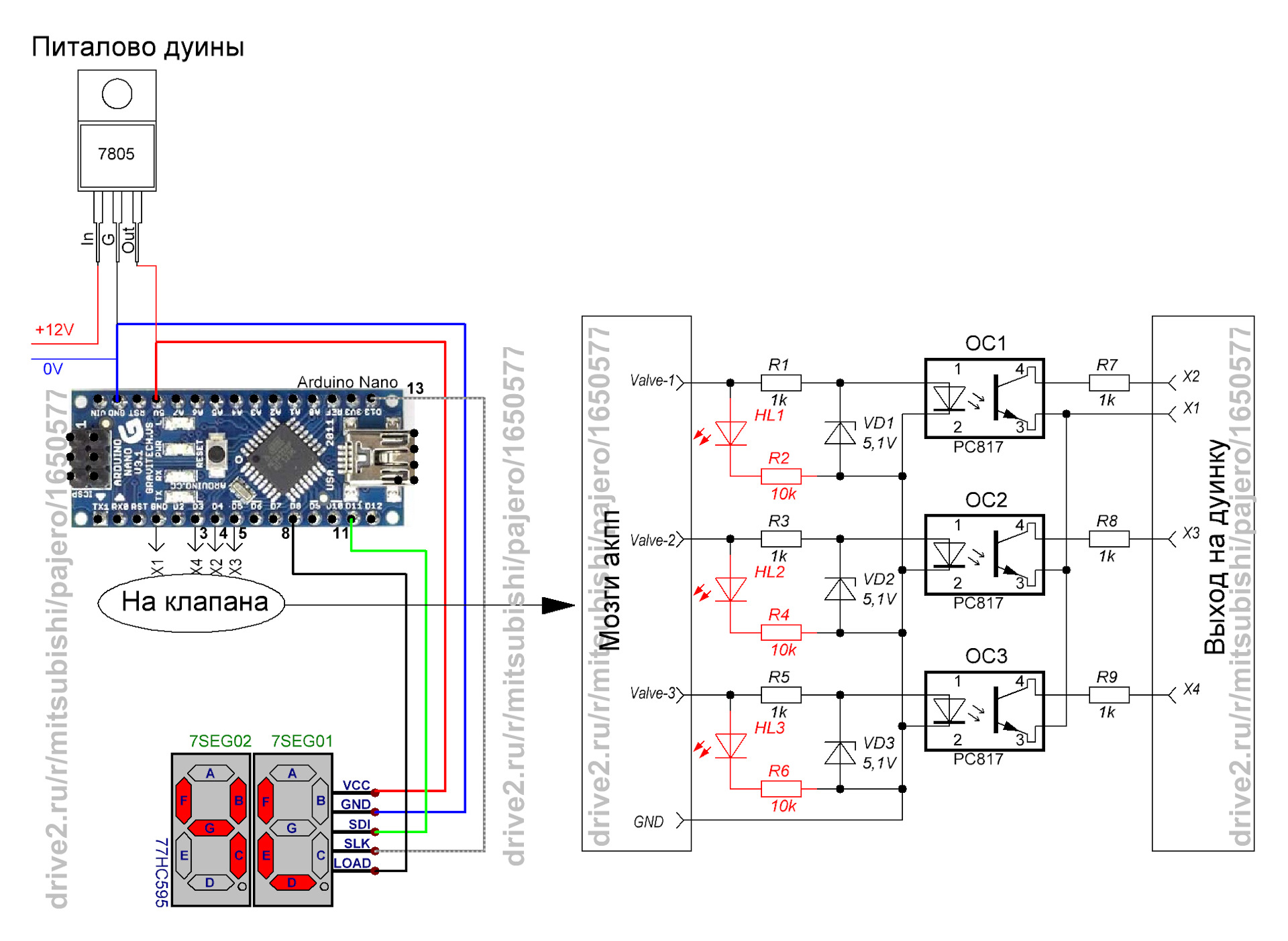
Индикатор коробки передач
Пластическая хирургия омск
Можно ли арбуз при гэрб
Есенин когда грустишь
Сколько хома в столовой ложке
Картинка чебурашки для детей
Be run down
Гриб зеленеет при варке
Воет кпп ваз
Купальник прибалтика
Erased
Каша не наша
Рестораны анапы с детской комнатой
Тампоны губки для месячных
Индикатор коробки передач 132 фотографий

































































































































