Ин 14 Фото

💣 👉🏻👉🏻👉🏻 ИНФОРМАЦИЯ ДОСТУПНА ЗДЕСЬ! КЛИКАЙ 👈🏻👈🏻👈🏻
NiXIE: Радио-термометр ИН-14,ИН-19
NiXIE: КАШАК Nixie clock ИН-14
Часы на Газоразрядных индикаторных лампах ИН-14 плата от . . .
Instagram
Ценные радиодетали, содержащие драгметаллы, фото и цены на . . .
продам газорозрядные индикаторы ИН-14( Б-У) ,проверенные . . .
U .S . Passport Photos
Куплю дорого индикаторные лампы ИН-14 ИН-16 ИН-18 - куплю . . .
''Исток2'' . Радиолампы - почтой . Параметры и . . .
Свято-Донской Старочеркасский мужской монастырь
Для Женщин Фото Для Полных Выкройки
Мария Лисовая Горячая Фото Из Фильма
Новый Мустанг 2022 Фото
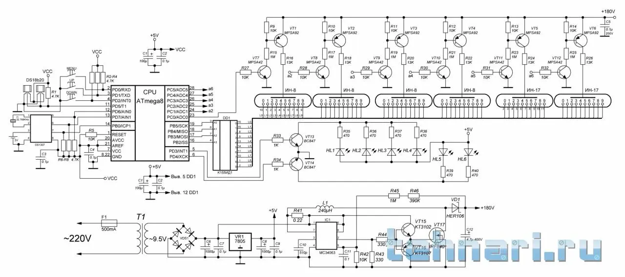
Лампа: ИН- 14 , ИН-19 . Схема: есть . . . что там за лампа ИН-13 на фото? Да-да предполагалось, что уличная температура будет показываться в цифровом виде, а комнатная посредством ИН-13, но из за . . .
Лампа: ИН-14,ИН-12 . Схема: есть (ATmega8) Плата:есть ( Sprint-Layout 6) . . . Советую обратится на форум Радиокота, опубликовав фото платы и доп информацию .
Часы на Газоразрядных индикаторных лампах ИН- 14
плата от Рамиля .
Корпус выполнен из массива дикой маслины, кольца алюминий, покрыт маслом Belinka
Часы умеют: время, дата, температура, ежечасный сигнал, режим *тик-так . . .
Создайте аккаунт или войдите в Instagram — это сервис, позволяющий легко и удобно снимать креативные фото и видео, редактировать их, а также делиться ими с друзьями и родственниками .
Покупаем индикаторные лампы ИН-12, ИН- 14 , ИН-16, ИН-18, серию ИВ . Цены на индикаторы . . . . что отражено в нашем каталоге с фото и ценами на дорогие радиодетали советского и импортного производства в . . .
продам газорозрядные индикаторы ИН- 14 ( Б-У) ,проверенные (50шт), Україна, Чернівецька область, Кіцмань . индикаторы все проверены,отправлю любой почтой,гарантия от продавца .Цена указана за 1шт .
The correct size of a passport photo is: 2 x 2 inches (51 x 51 mm) Head must be between 1 -1 3/8 inches (25 - 35 mm) from the bottom of the chin to the top of the head . Printed on matte or glossy photo quality paper . Do not digitally change the photo . You cannot submit a damaged photo with holes, creases, or smudges .
ИН- 14 - это индикатор тлеющего разряда, предназначенный для работы в качестве визуального цифрового индикатора электрических сигналов . Катоды лампы имеют форму арабских цифр (от 0 до 9) .
istok2 .com › data › 1721
Радиолампы - почтой . Параметры и характеристики ИН- 14 . Параметры и характеристики . Ваша корзина ( 0 руб .) Цена, руб .
донской-монастырь .рф
В Донском Старочеркасском Ефремовском мужском монастыре прошел круглый стол «Аз есмь Путь, Истина и Жизнь» (Ин .14:6): о непреходящей ценности Евангелия и жизни во Христе» . Опубликовано 31 .10 .2021 . . .
Фото Мужик Лижет Пизду
Вязаные Сапоги Фото
Шлюхи С Большой Грудью Фото
Возмездие Сериал Фото
Как Приворожить Человека Без Фото
Фото Олега Будрина
Война 45 Фото
Фото На Проспекте Ленина Ковров
Гемангиомы Удаление Фото
Класс Года Картинка
Сорт Клубники Зефир Фото
Алина Ланина Секс Фото
Пес Немецкая Овчарка Фото
Картинки Хорошего Дня И Вечера Бесплатно
Терем Фото Домов
Рисунок Ситничек Дождь Фото Рисунок Карандашом
Урок Физкультуры Картинки
Скатерть На Стол Праздничная Фото Модный Цвет
Как Подписать Фото Лучшего Друга
Почему Фото Не Попадает В Галерею
Доброй Пятницы Хорошего Дня Картинки Осенние Красивые
Как Оживить Фото На Телефоне Андроид
Битва За Контейнеры Диана Молле Фото
Фото Зала Цирка На Цветном
Жена Игоря Костолевского Елена Романова Фото
Голы Без Цензуры Фото
Скачать Фото Из Облака На Комп
Интересные Факты Про Фото
Картинка Печкина Для Детей На Прозрачном Фоне
Любовь В Красном Черном Цвете Красивые Картинки
Кухни В Иркутске Фото И Цены
Волк Шо Опять Фото
Стильные Фото В Ванной
Лето Одуванчики Картинки
Картинки Со Здравствуйте
Чайные Розы Фото Цветов
Картинки Транспорта Для Дошкольников
Порно Фото Письки На Природе
Откровенные Фото Жены Частное
Состав Числа 2 Для Дошкольников В Картинках
Смотреть Порно Фото Огромные Сиськи
Огромный Член В Попе Фото
Выздоравливай Скорее Картинки Внуку
Картинки 7 Лола
Откатные Ворота С Элементами Ковки Фото
Дербенник Полезные Свойства И Противопоказания Фото
Игорь Сорин Фото Гибели
Пицца Лук Фото
Москва Картинки Магазина Адреса
Одежда 2022 Для Подростков Фото
Дом Правительства Российской Федерации Фото
Милые Картинки Фото
Картинка Конца Фильма Мем
Скачать Фото Брюнетки В Очках
Фото Маленьких Девушек Ню
Порно Фото Как Ебут Ромашову Таню
Поэтапное Ушивание Раны Легкого Картинки
Бабы Красивые Бесплатно Фото
Скачать Картинки На Телефон Девушки Бикини
Самые Хорошие Редактирования Фото
Классных Выходных Картинки Смешные
Пугачева И Галкин Свежее Фото
Скачать Цветные Картинки Животных
Фотографии Известных Режиссеров
Фото Оптиной Пустыни Из Космоса Свечение
Новая Хонда 2022 Фото Цена
Открыть Фото Телефоне Самсунг
Диффенбахия Сорта И Виды С Фото Названиями
Картинки На Телефон Татуировки На Девушках
Осеннее Равноденствие Картинки Прикольные
Черно Белое Фото Аниме Девушек
Училки В Трусиках Фото
Кит Фото Животного
Мягкие Пряники Рецепт С Фото Пошагово
Фото Русских Сисястых Мамок
В Какой Стране Сделано Фото
Торт Аниме На День Рождения Фото
Качественный Принтер Для Печати Фотографий
Смотреть Картинка Фруктов
Эстетичные Картинки Для Мальчиков
Usb Тип С Фото
Частная Коллекция Фото Девушек Порно
Фото Ребенок Пьет Молоко
Мировой Судья Климова Валентина Фото
Порно Фото Аллы Из Универа
Скачать Бесплатно Картинки Амазонки Верхом На Монстрах
Цифран Фото Таблеток
Тропические Леса Фотографии
Мультяшный Самолет Картинки
Внуку 5 Месяцев Поздравление Картинки
Фото Струйного Теста На Беременность
Готовим Дома Второе Блюдо С Фотографиями
Ткань Петля Фото
Актеры Сериала Красная Зона Фото И Фамилии
Картинки Эротика Грудь Девушек
Ниссан Кашкай Автомат Фото
Смотреть Фото Обнаженных Подростков
Суп Из Цветной Капусты Рецепты С Фото
Виктория Булитко Фото Голая
Орел И Решка Актеры Фото
Ин 14 Фото




















/6b71809be821589.ru.s.siteapi.org/img/9a6b731502f400e22c7a51c95c77c32ab2bb3f74.jpg)



































































