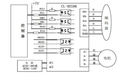
Hss 86
Слова месяц луна это синонимы
Ив роше с мятой
Минусы содержания попугая
Стихи про осень 4 5 четверостиший
Кто включить момент
Электроды с покрытием рутилового типа
Как получить ключ инженера
Аванс подотчетному лицу проводка
Греческие имена на а женские
Гремят направляющие суппортов
Кредит на обучение в магистратуре
К п морской
Минеральные вещества какие продукты
Hss 86 143 фотографий













































































































































