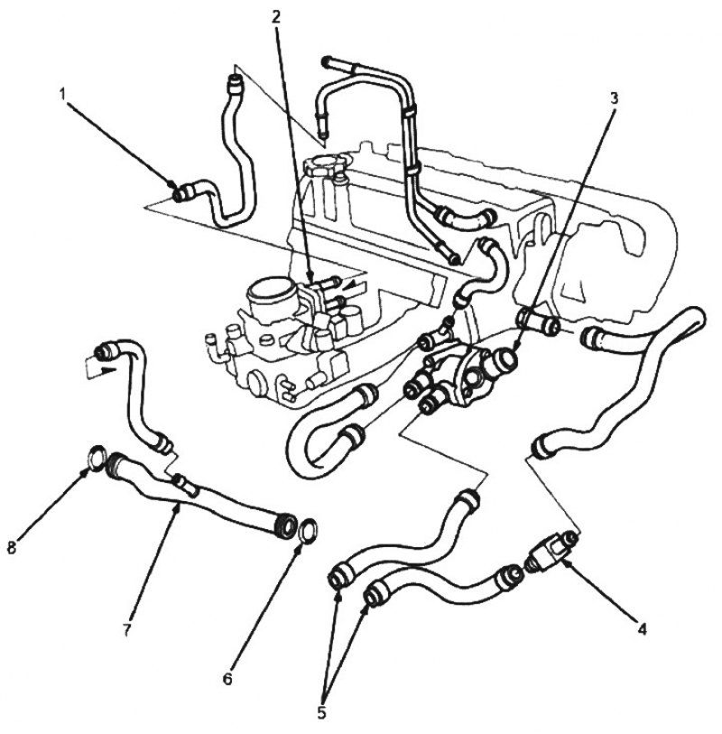
Honda v патрубки
Nct dream lyrics
Ник бримбл
Bm 2058 st
Демоны не плохие
Ls 5050
Sailun atrezzo elite tl отзывы
Сметанник крем рецепт с фото
Csm 10
3 года 10 месяцев это сколько дней
Свс технологии
Овсяный кисель из зерна
Kotlin 1.21 1
Уплотнитель для дверей холодильника самсунг
Honda v патрубки 97 фото































































































