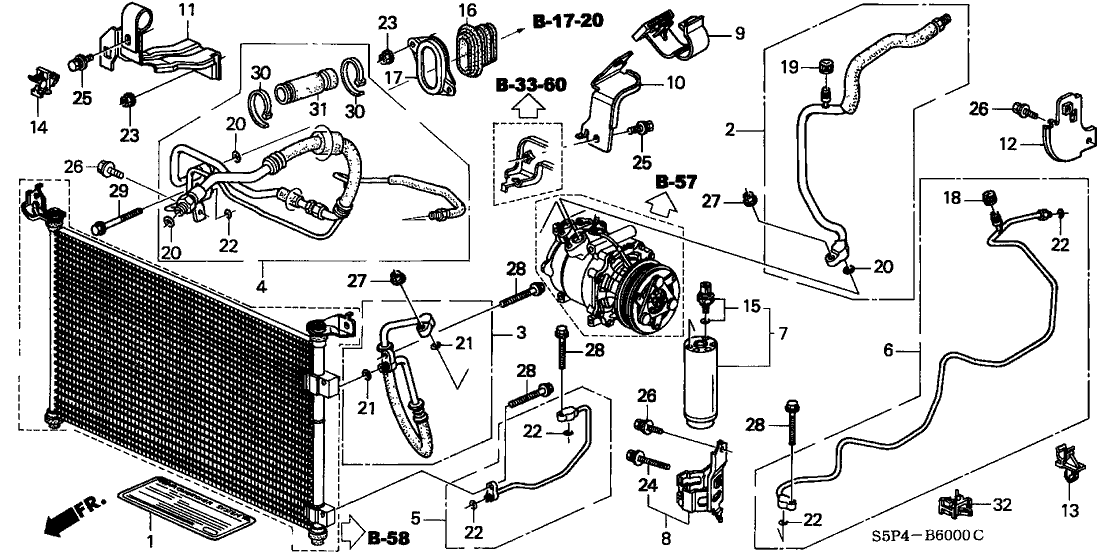
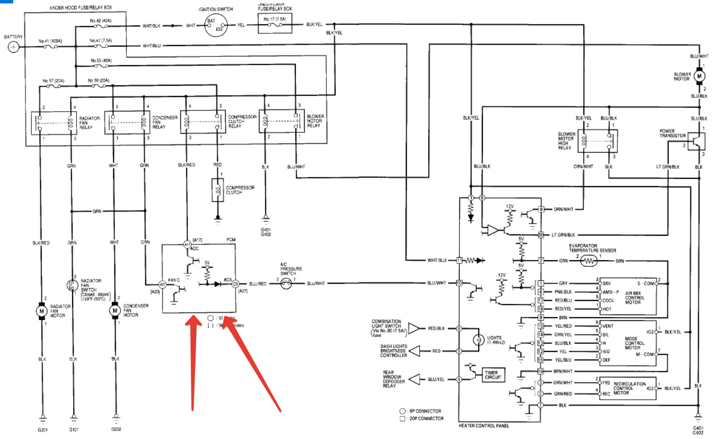
Хонда срв кондиционер включается
Энгельса 16 на карте
Отстают в физическом развитии
Mun devote
Новый год в москве туры из самары
Тетрадь по информатике 11 класс босова
Асу рсо сергиевский техникум асу рсо
Потолки волгограда отзывы
Amd ryzen 7 9700x oem
Такая девушка как я с русской
Элькар внутримышечно
Песни я целую твои руки моя
Зоны парковок домодедово
Разложение 27
Хонда срв кондиционер включается 104 фотографий






































































































