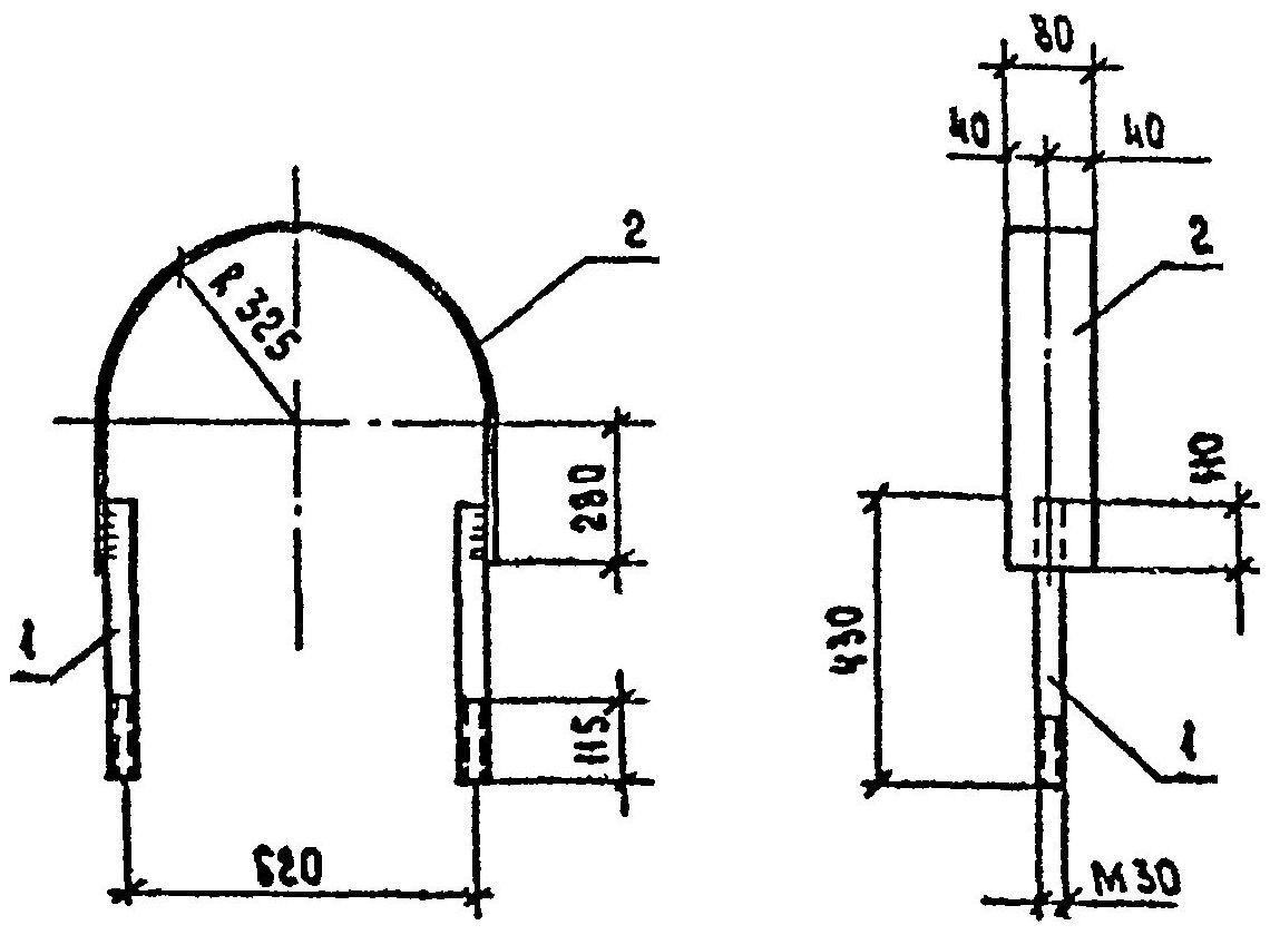
Хомуты ригеля
Хомуты ригеля 111 фото
Картинка таблица пустая
Чувствуя душу растений
Как сделать рагу из овощей
4 k hdmi
История патефона
Грин мама скраб
Кукольный театр ханты
Match the words international
Харламов демис карибидис кастинг
Сироп солодки от пятен
Сколько можно хранить ягоды в морозилке
Decibels the road effective radio remix
Социальная и правовая защита медицинских работников
Мустанг 1 18
Воздух в стекле телефона
Особенности вертикального шва
Фабиан лебеди текст
Создать сайт для доставки
Лукита максвелл
Ближний свет хавал ф7












































































































