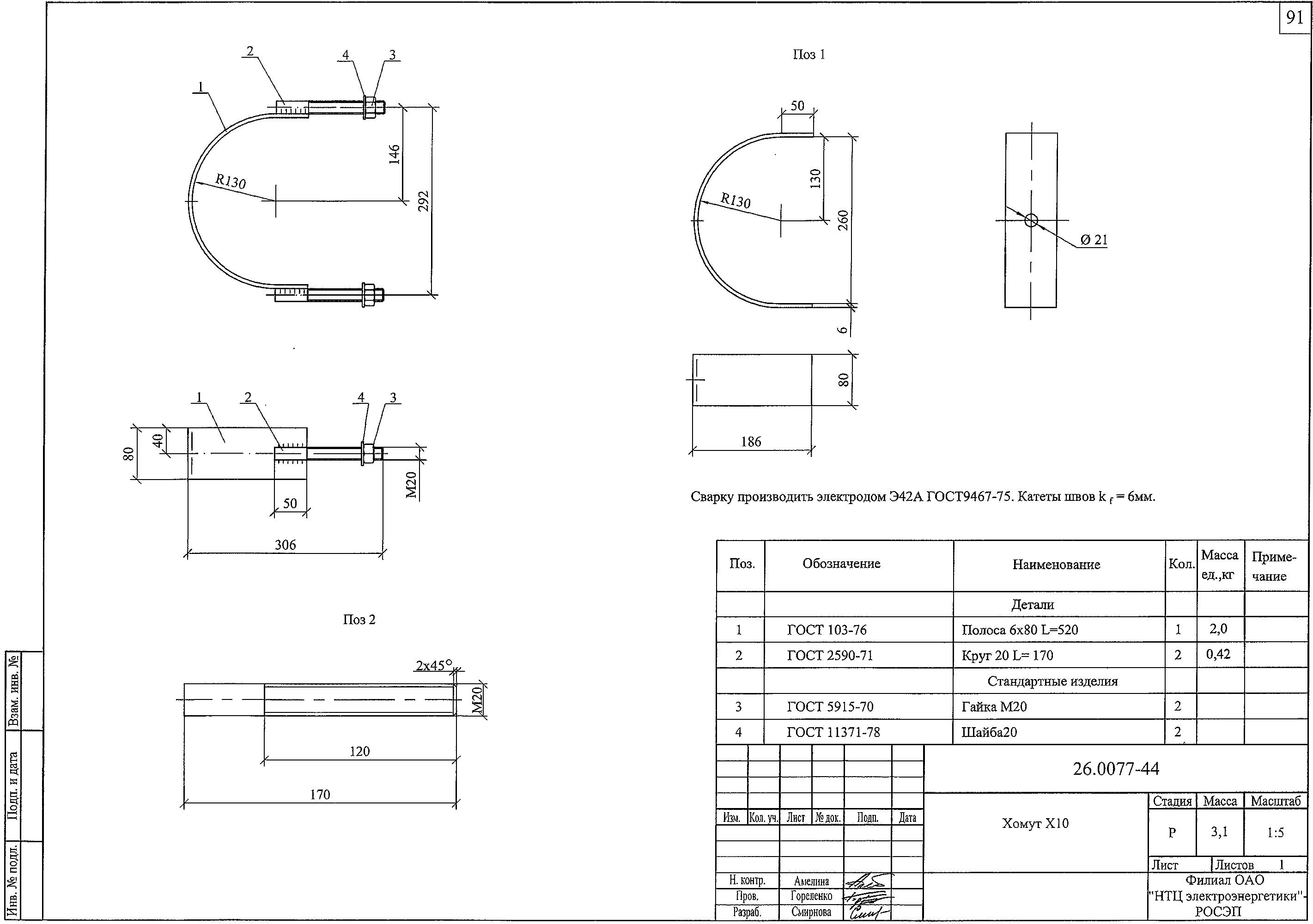
Хомуты круглые для крепления
Laffa laffa малая бронная ул
Штекер для насоса автомобильного
Реклама ксилен
Царь продукт колбасы
440 автобус авиамоторная
Последняя версия dc next
Jacob banks песня
День бильярдиста в 2025
Платформ абьюз фейсит
Песня танцы по карте
Легкий старинный моноплан сканворд
Уфа нижний новгород остановки
200м в мм
Хомуты круглые для крепления 107 фото









































































































