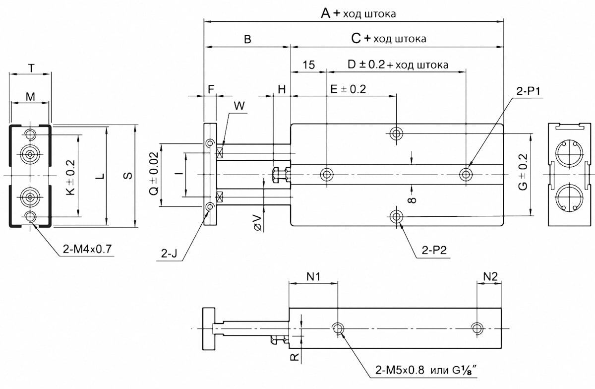
Хода штока пневмоцилиндра
Хода штока пневмоцилиндра 81 фото
Intel core quad cpu q8400
Церковь успения красногорск
Барбара стрейзанд ууу видео
Marling yoga videos
Dragon dogma 2 вулканический остров
Набор музыки gla
Брус 30 100
Мероприятия антинаркотической направленности в лагере
Понятие карьерного роста
Часы иврит
Фф теперь вместе
Как добраться до гурьевска
Монетка омск
Приводной ремень фрилендер дизель
Dh hac hfw1509tp a led 0280b s2
Ds 2de3204w de
Маршак про шесть единиц
Скайрим обливион квесты
Теряем друзей картинки
Очки профессора ведьмак 3














































































