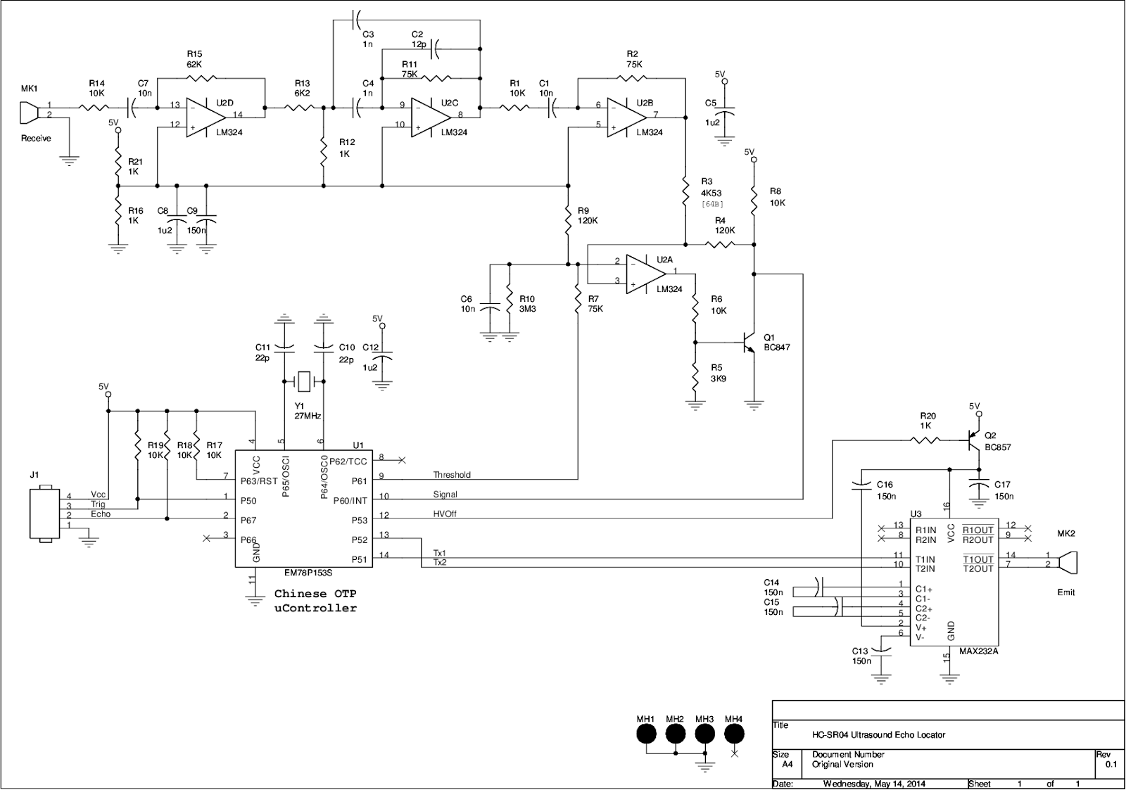
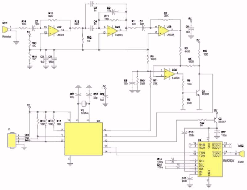
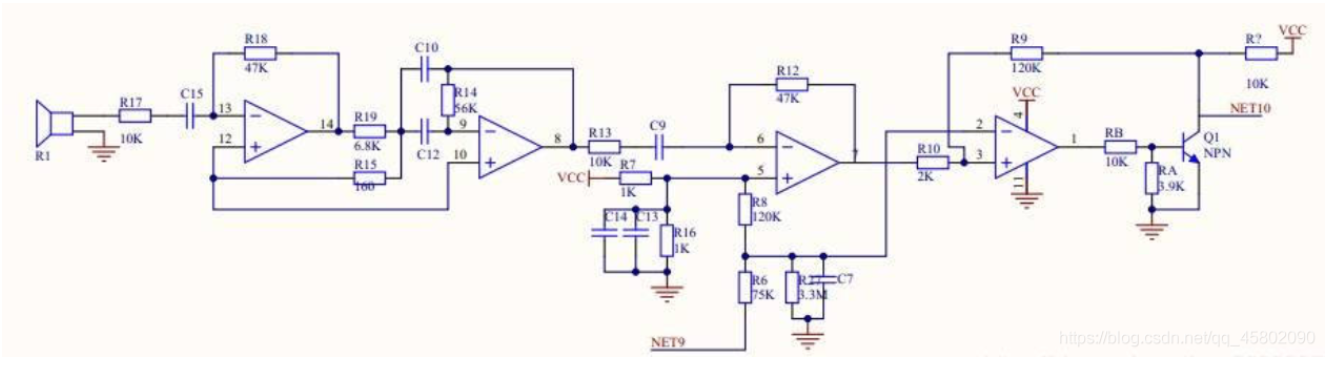
Hc sr04 схема
Маршак фестиваль воронеж 2025 программа
Температура пропана при комнатной температуре
Внесение денег на банковский счет функция денег
Кадастровая карта моршанска
Мегафон не будет работать
Песня амор на звонок
One punch man глава
Дает расщепление в потомстве
Сочинение на осетинском языке осень
Самым известным сочинением эпохи киевской руси
Кипа мир
My cute roommate как проходить
Ворошилова 3 корпус 3
Hc sr04 схема 110 фотографий








































































































