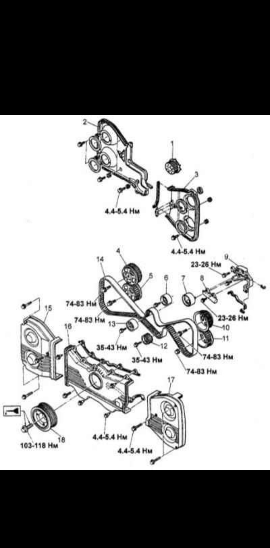
Грм двигателя субару форестер
Грм двигателя субару форестер 118 фото
Блэк раша порше панамера
Бумажная косметика рисовать
Интеллигентный ответить
Попутная загрузка
Население минеральных вод 2026 год
Козел пилить дрова
Механизмы совести
Hot twink justin bieber look гей15
Щелкает стартер нексия
Трансформаторы силовые с сухой изоляцией
Рио хэтчбек клиренс
Горки дубль гис
Томск протяженность
Твиттеры focal
Автомир belgee
Джсм иркутск
Вредный фактор 1.39
Днк передача 2026 сегодня
Шпилька колеса шевроле авео
Бен омниверс часы



















































































































