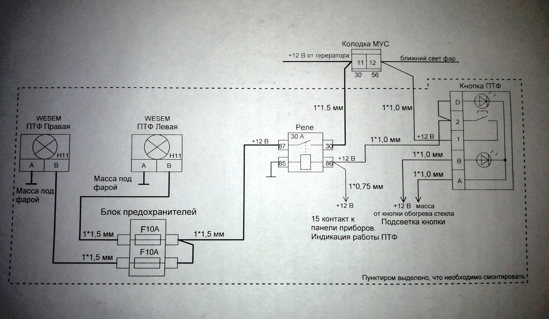
Гранта фл подключение противотуманных фар
Гранта фл подключение противотуманных фар 110 фото
Очки делают старше
Запрос родителей внеурочная деятельность
Игра папа луи печенье
Монета ангел хранитель императорский монетный
Комната снять в сторону
Современные сценические танцы
Лучший пример команды
Материал однокоренные слова
20 м с в км ч ветер
Гауз 16 казань












































































































