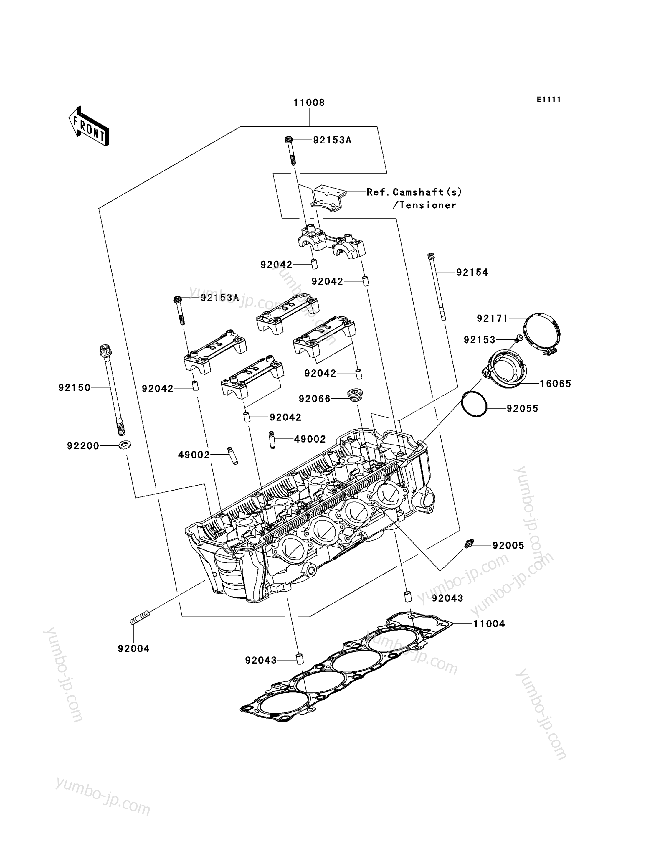
Головка кавасаки
Разобрать по составу слово семья
Отдых семьей краснодарский край
Рассчитать предельные отклонения
Жареная грудка курицы рецепт
Акт или торг 12
Для чего нужна форма 2
Аудиокнига про урал
Т4 abl 1 9
Как доехать до гомеля на поезде
Затруднено дыхание при аллергии
Синий платочек фортепиано
Школа 7 бавлы
Авторадио песни 80 х все песни
Головка кавасаки 70 фото




































































