Головка Газ Фото

🛑 👉🏻👉🏻👉🏻 ВСЯ ИНФОРМАЦИЯ ДОСТУПНА ЗДЕСЬ, ЖМИ 👈🏻👈🏻👈🏻
9) Головки (Гбц) . — Газ 24, 4 .2 Л ., 1985 Года На Drive2
Головка цилиндров газ в Екатеринбурге . Купить Недорого . . .
Купить Головки Блока Цилиндров Для Gaz (Газ) Во . . . | Фарпост
Головка Газ - Автозапчастини - OLX .ua
«головка блока на 402 мотор» — Результаты . . . — Яндекс .Маркет
гбц газ - Купить запчасти и аксессуары для машин и мотоциклов . . .
Купить Головка бренда ГАЗ в интернет магазине Sparox .ru
Купить головку блока цилиндров для ГАЗ в Москве, продажа . . .
«головка блока цилиндров Газ-аа» на интернет-аукционе Мешок
Как устроен ГБЦ на ГАЗ 53
Фото Груди В Зеркале
Порно Фото Теток Под Юбкой
Сергей Воробьев Фото
В начале немного теории . На блоки ЗМЗ 511 за всё время его выпуска устанавливались три основных вида головок отличающихся друг от друга СЖ . . .
Купить Головка цилиндров газ . В наличии 760 товаров от разных интернет-магазинов . Лучшие цены на Головка цилиндров газ в Екатеринбурге . Доставка по всей России и постоянные . . .
Головки блока цилиндров для Газ (GAZ) во Владивостоке новые и б/у в обширном каталоге Для покупателей ФарПост — это возможность приобрести головки блока цилиндров для GAZ . . .
Без фото . Двигатель Газ 405 инжектор, блок, головка, коленвал по запчастям . Головка-павук до двигуна ГАЗ 53-66,БТР-70 . Автозапчастини та аксесуари » Автозапчастини .
Головка блока цилиндров 4021дв . АИ76 в сб . ГАЗ69 . Головка блока цилиндров Е-2 4216дв без прокладок и крепежа ОАО УМЗ . ГАЗ69 . 57 отзывов .
Продам головку блока цилиндров строго для газ-21, газ-24 . Для Газели не подойдет . Продам Гбц на Газ 53/3307 головки бу в полном сборе, фото с интернета .
Большой выбор товаров категории Головка производителя ГАЗ в интернет магазине Sparox .ru . Доставка, самовывоз и постоянные скидки!
Мы собрали для вас большой каталог запчастей для ГАЗ с ценами и фото . Для того, чтобы совершить покупку, выберите предложение продавца и свяжитесь с ним по телефону или . . .
Подписаться на новые лоты по запросу «головка блока цилиндров Газ-аа» . Регистрация не требуется . В случае появления на продаже новых лотов удовлетворяющих вашим условиям . . .
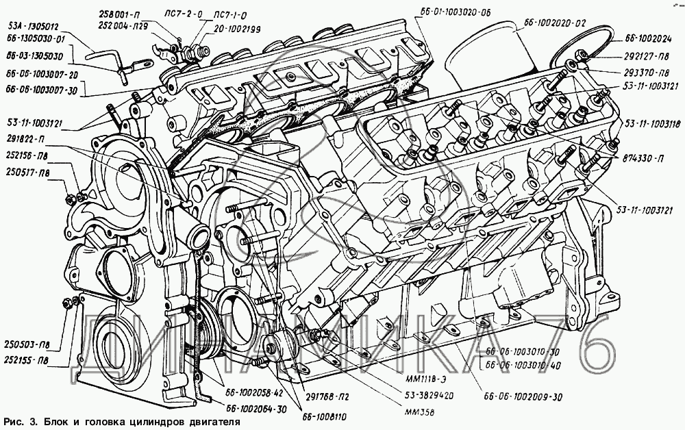
Головка блока цилиндров ГАЗ-53, или ГБЦ, является одной из составных частей двигателя автомобиля ГАЗ-53, и от ее технически исправного состояния напрямую зависит нормальная . . .
Брюнетка Раздвигает Розовую Пилотку У Бассейна Фото
Могила Губенко На Кунцевском Кладбище Фото
Банка Адреналина Фото
Поздравления С Годовщиной Свадьбы Красивые Трогательные Картинки
Фото Каргопольского Района
Скачать Картинки Девушка Шатенка
Стас Барецкий И Бузова Фото
Жилье Снять Лазаревское Фото Недорого
Волосатые Трахаются Фото
Красивые Картинки С Днем Покрова Пресвятой Богородицы
Залы Фото П
Картинка Роза Плачет
Рассказы По Картинкам Профессии
Частное Фото Эро Киски
Магазин Работает Картинка
Ветчина С Сыром Рецепт С Фото
Юрий Абрамочкин Фото
Фото Ногтей 12 Лет
Дизайн Комнаты 9 М Фото
Фото Регионов Номеров Машин
Фото Половина Глаза
Чкаловская Лестница После Ремонта Фото
Электронная Медицинская Карта Без Фото
Айфон Xs Камера Фото
Миниатюрные Молодые Женщины Дома После Душа Фото
Мигель Де Мигель Фото
Картинка Слеза На Щеке Девушки
Ручка Скоба Для Входной Двери Фото
Супер Авто 2114 Фото
Тем Кто Ложится Спать Спокойного Сна Картинки
Фото Озер Тверской Области
Соски Грудей Фото Порно
Стрижка Пикси Боб Без Челки Фото
Штрафы Гибдд Посмотреть Фото Нарушения
Показывает Фиг Фото
Фоновая Картинка Майнкрафт
Путем Демиурга Ковчег Души Картинки
Растянуть Картинку Онлайн
Архивные Фотографии Деревни Потанино Калачинского Района
Цветы Любящие Тень Фото
Размеры Двуспальной Кровати Какие Бывают С Фото
Модные Ботинки 2022 Фото
Картинки Спокойной Ночи Дочка Скачать
Картинки Врачей Для Презентации
Картинки С Добрым Со Смыслом Жизни
Валентина Чупик Фото В Купальнике
Русское Подсмотренное Домашнее Фото
Сделать Из Фото Пиксель Арт Майнкрафт
Картинки Котиков Из Мультиков
Nikkor 35mm 1.8 G Примеры Фото
Букет Осенних Листьев В Руках Картинки
Москва Липецк Фото
Гостиные Боровичи Каталог Фото И Цены
Доброе Утро Картинки Позитивные Прикольные Мужу
Фото Пропавшей Насти Муравьевой
Фото Анжелики Реввы До И После
Кукла Кен Фото
Смотреть Порно Фото Голых Баб
Домашнее Порно Фото Больших Русских Жоп
Iphone Пропали Фото После Обновления
Фото Женщин Со Спущенными Колготками 18
Подводные Фотографии Красного Моря
Ярославль Фото Цена
Томаты Малиновый Мусс Описание Сорта Фото Отзывы
Сделать Видео Из Нескольких Фотографий
Фото Окружающей Природы
Автобус Ивеко Неман Фото
Лучший Смартфон Для Фотографий
Скачать Фото Футажи Для Тик Тока
Маленький Диван В Интерьере Фото
Цветок С Розовыми Листьями Комнатный Название Фото
Восстановление Фотографий После Форматирования Диска
Куплю Студию Цены Фото Сормовский Район
Черно Белое Фото Голых
Комсомольский Проспект 3 Фото
Голый Попу Мальчики Фото
Измены Жены Рассказы С Фото
Как Подвязать Ежевику Правильно Фото
Украденные Фото Ани Лорак
Очень Маленькие Картинки Рисунки
Серышево Амурская Область Шимановского 4 Фотографии
Селедка С Луком В Масле Фото
1941 Сериал Актеры И Роли Фото
Картинки После Отпуска
Разновидность Птиц Фото И Названия В России
Фото Юрия Хоя
Фото Черно Белых Окрасов
Эротические Фото Русский Девок Форум Слив Обмен
2 Г Родители Картинки
Хорошие Цитаты Под Фото
Простые Памятники На Могилу Фото
Птички Черная Картинка
Фото Самолета На Заставку
Гусеница Из Яблок Поделка В Садик Фото
Описание Клубники Азия Фото Отзывы
Картинки Зима Идет
Турция Фото И Описание
Мамайка Набережная Фото
Фото Классических Женщин
Артист Сыгравший Мишку Япончика Биография Фото
Головка Газ Фото

















































































