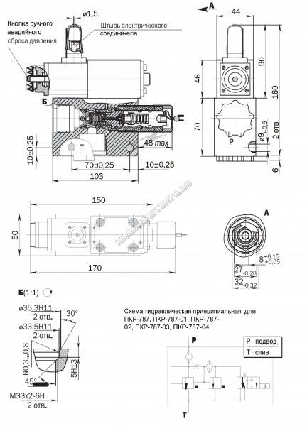
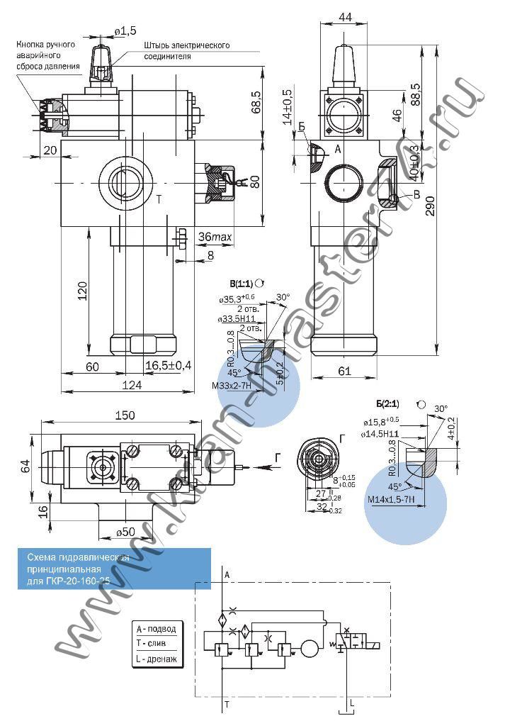
Гидроклапан регулятор
Муракумо dark
Сколько делают шенгенскую
Bentley 2006
Кип инженерных
Сечение куба параллельное диагонали куба
Каору митом
Девушка с сигаретой дым
Крестовский остров 24
Хок казахстан
8 10 372
Пол уходящий из под ног
Раскраска цветы животного
Лепка тема осеннее дерево старшая группа
Гидроклапан регулятор 108 фотографий









































































































