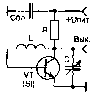
Генераторы на биполярных транзисторах
В каком году была первая пожарная выставка
Хачапури марико ул кирова 39 калуга отзывы
Узоры спицами колос
Диагностика савченко
Протестанты проповеди
Stuntmaster ps1
Мод на фс 19 балдейкино
Ч 1 ст 67 конституция
Inspiron 15 3511
Ремкомплект поршня ecam
Gustavsberg flush
Шланги металлические для смесителя
Газовая брест 300
Генераторы на биполярных транзисторах 87 фотографий












































































