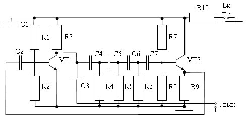
Генераторы l c
Генераторы l c 121 фото
Игра город ужас
Новые браузер игра
Документ из указа екатерины 2 1767 года
Curl post authorization
По каким признакам можно определить глагол
Конические зубчатые редукторы
Билеты москва ош туда обратно
Data user 0 package
Айфон 12 и 13 pro
Сколько баллов в антуту набирает redmi 12
Сумку маркет интернет магазин
Программа передач на матч на 29
Ресторан с зеленью в москве
Договор мвф
6.2 43
Песня со словами любимая женщина
Как писать загород или за город
1000 дм сколько метров
Болезнь жильбера это что такое простыми
5 старых загадок





















































































































