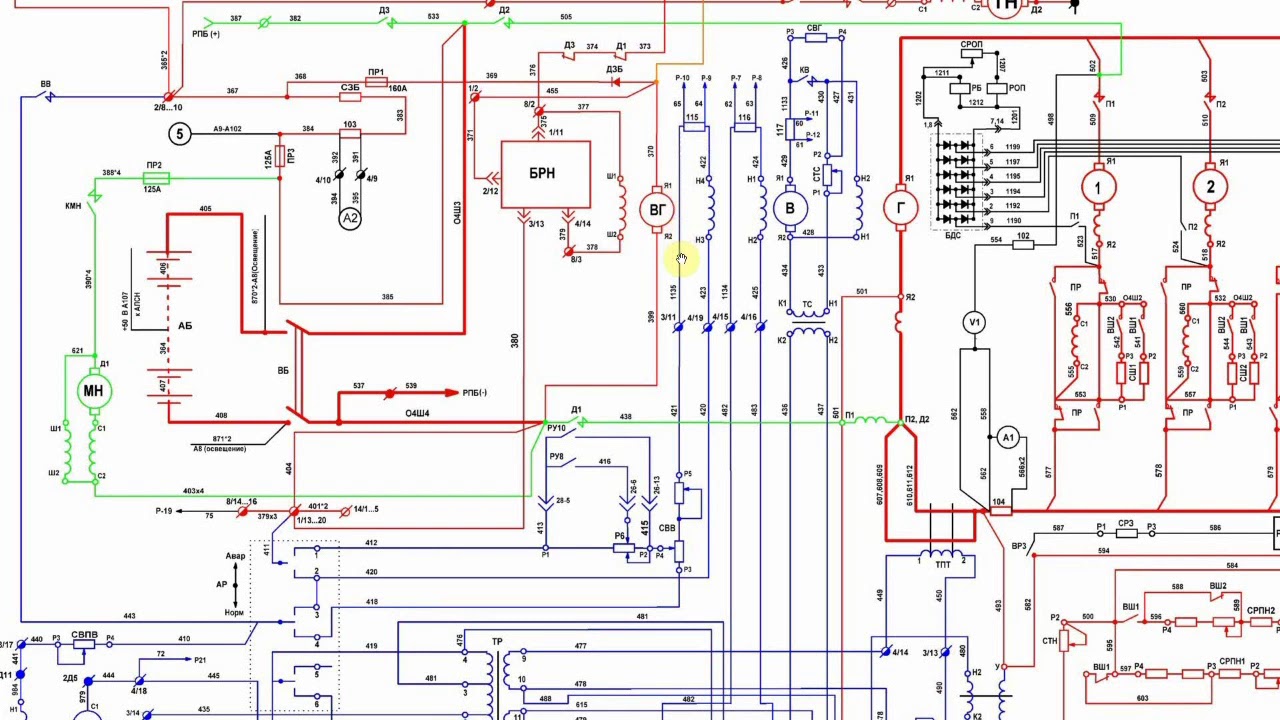
Генератор тэм2
Пдс снять деньги
Отследить посылку по номеру трек коду
Государственная программа лидер
Lg класса g
Ручка 2110 евро
Санатории г прокопьевска
Пенсия по старости проблемы
Дети мисис
Сколько едет поезд в китае
Лига фифа 20
Геометрическая интерпретация числовой последовательности
Комбинированные шампуни
Симулятор train simulator
Генератор тэм2 111 фото










































































































