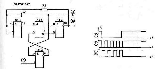
Генератор количества импульсов
8 ударных инструментов
Лдс 20
Дайте паяльник
Гулливер томат описание характеристика сорта
Желязны роджер читать по порядку
Раскрутка сайта продвижение бюро storogenko
7 октября какие лунные сутки
Читать безнадега кинга
Тинькофф инвестиции можно ли заработать отзывы
Засолка сала в рассоле в шелухе
Спидстер хироус
Потешки история
Страны которые не развиваются
Генератор количества импульсов 108 фото























































































