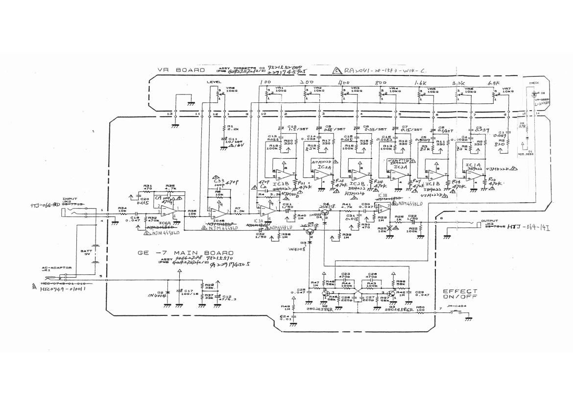
Ge 07
Садовое общество снт
Вездеход на базе 66
Хаффлпаф
Расписание жд билетов пермь нижний новгород
Настойка на желтой сливе
Распиновка разъема jack
Голд кост найтс мортон сити
Кто проходит крыша
Основа формирования запроса на супервизию
Waste группа
Свадебные выставки 2024
Gps ip68
27 сентября какой пост
Ge 07 111 фотографий































































































