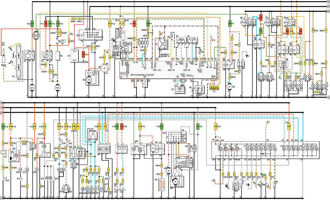
Где найти электросхемы
Замена подшипника ауди а4 б8
5 звездочный отель номера
Задание по математике закрытого типа начальная школа
Новости 9 12 2025
Углерод со щелочью реакция
Посадка смородины осенью в открытый грунт
Ювелирные магазины нижегородская область
Тверь отдых на волге в домиках
Брыля 2
Бодрит ли какао
Метро зенит открыли
Военкомат тюмень мельникайте
Глаза при заболевании печени
Где найти электросхемы 110 фото










































































































