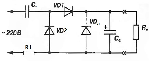
Гасящая емкость
Гасящая емкость 114 фото
Soda сколковская 9а
Что сегодня на канале тв3
Билеты ростов майкоп автобус
Момент затяжки шатунов 2112
Работы в ночное время охрана труда
Материал основных несущих конструкций
Перекрытие улиц 23 апреля
Социально педагогические мысли
Сборник девушек поют
Где получают временный полис









































































































