GENERANDO CALOR
Narciso Valle Campos
I1 = 26,4 mA = 0,0264 A
I2 = 10,5 mA = 0,0105 A
I3 = 15,8 mA = 0,0158 A
E1 = 250,9056 J
E2 = 238,14 J
E3 = 359,4816 J

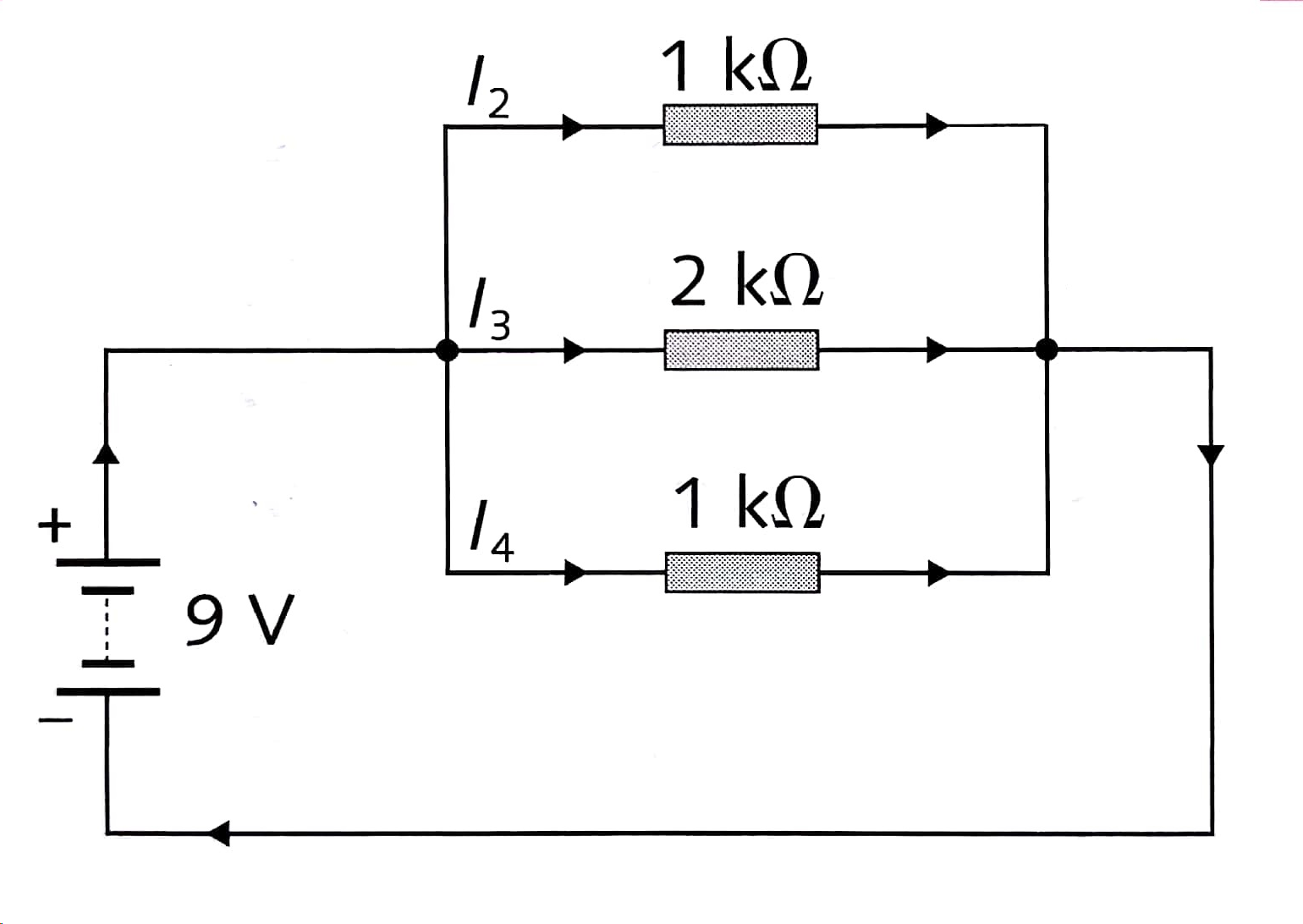
I2 = 8,97 mA = 0,00897 A
I3 = 4,48 mA = 0,00448 A
I4 = 8,97 mA = 0,00897 A
E2 = 289,65924 J
E3 = 144,50688 J
E4 = 289,65924 J
