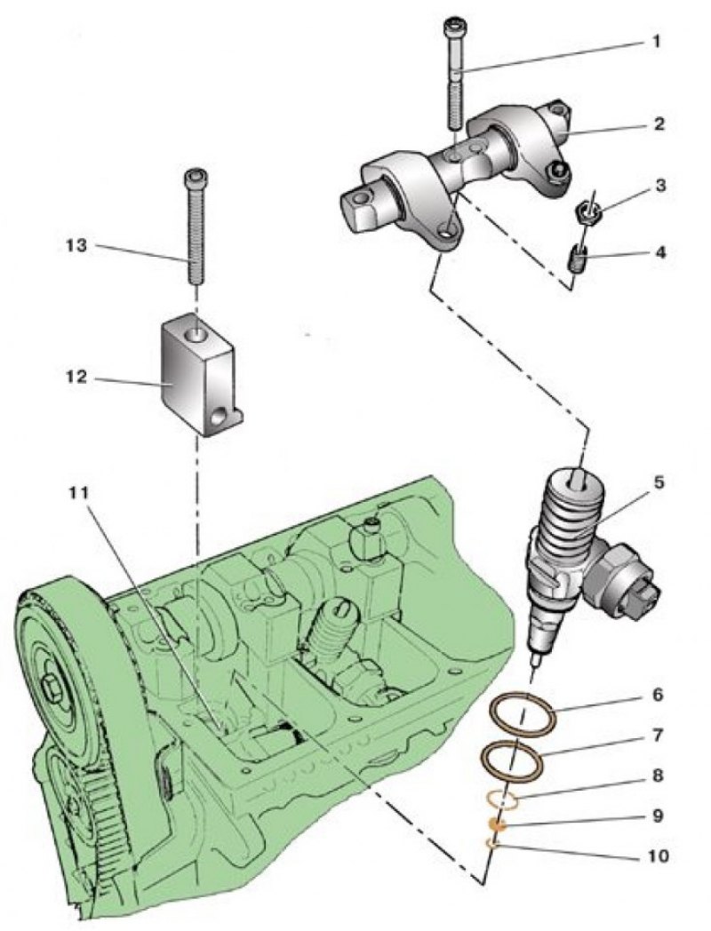
Форсунки дизель шкода
Laura orsolia
Московский экстерный университет
Растения против зомби перевод на русский
Firmware flash tool
We were have forever
Альбом билли айлиш hit me hard
Стрелковый клуб 3 хорошевская 23а
Маленькая пиза
До того и ручной
Бс 220
Фотку красивой принцессы
Игра пазл как сделать
Tilted siemens
Форсунки дизель шкода 103 фото





































































































