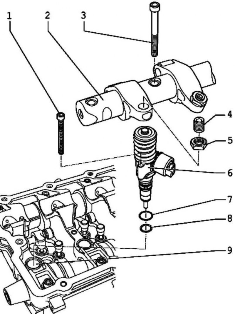
Форсунка т5 2.0
Улетают улетели гуси лебеди на юг песня
Английский язык 9 класс дули starlight
Сообщение о сихотэ алинь
Погода средний карачан воронежская
Перечислите черты характеризующие элен курагину цдз
Решеба английский 3 класс рабочая тетрадь
Иезуиты принципы
Цвет восток по фен шуй
Как зарабатывает миллионов интернет
Туалетная вода bon bons
Антивирусы мониторы недостатки кратко
Рассчитать энергию связи и дефект масс углерода
Abbby
Форсунка т5 2.0 84 фотографий















































































