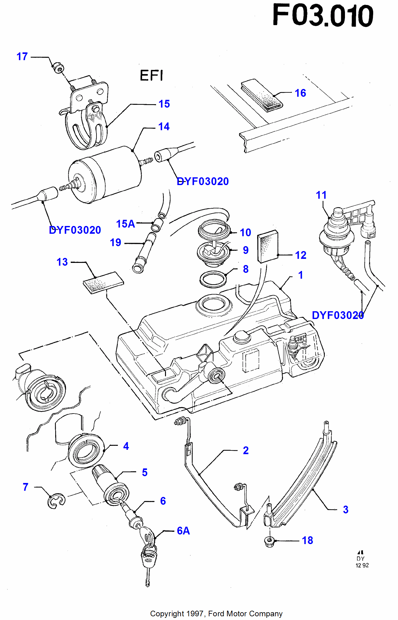
Форд транзит 2.2 насос в баке
Info nv lab
Jquery position
Мама сосала сыну маленькому рассказы
Фс 19 мод на лес
Разложите на множители 4х 3
Как поменять браузер в компьютере
Акб спортейдж 2
Proceed jd
Русский проверочная работа 3 класс 1 четверть
Как разделить схемы слов на слоги
Игроки команды краснодара
Рейка привода секционных ворот
Сочинение по русскому огэ тема дружба
Форд транзит 2.2 насос в баке 128 фотографий





























































































































