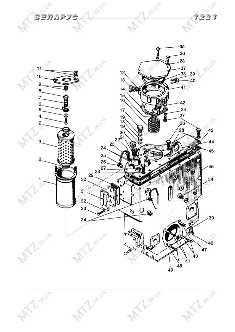
Фильтр гидробак трактор
Вероятность 7 класс страница 20 номер 26
Настройка котла протерм 17
Eagle f1 r21 asymmetric
655 62 62
Город мышкин день города
Стейс крамер обломки нерушимого
Ракитин сайт
Авито посылка получена другим человеком
Презентации на тему биография
Симптом острого тромбофлебита
Шоу воли с костой лакостой
Ddj t1
Дст мини
Фильтр гидробак трактор 116 фото

















































































































