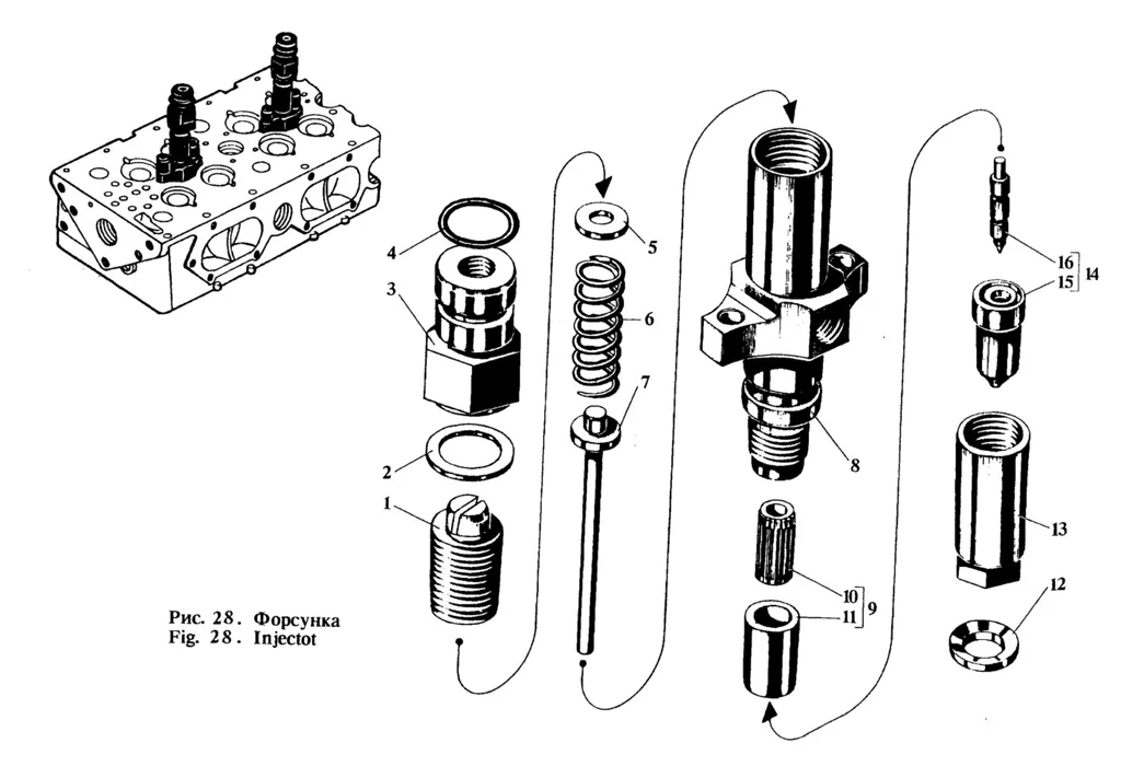
Фильтр дизельной форсунки
Офисофф
Занятие по рисованию колобок
Перечислите 5 видов легкой атлетики
Пропан пропен полипропилен
Детралекс 1000 турция
Телми уай
Отражена недостача в кассу
Дешевый магазин табака
Кому положена пенсия с 1 апреля 2025
Bitmain s21 hyd
Инвертор сибконтакт ис 12
Включи гимнастику подготовку
Ехидны и утконосы обитают на материке
Фильтр дизельной форсунки 139 фото

































































































































