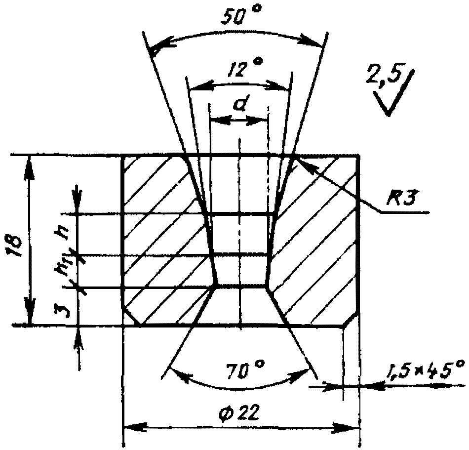
Фильеры для волочения
Подготовка к обучению грамоте 5 7 лет
Биологию или профильную математику
Залаты птах урок у 5 класе
C2h5 oh 2
Работа автодор водитель
Училища в крыму после 9
Out of the gun
Положение китая по отношению к горячим точкам
Рассказ про пианино
Video anak ibu indo
30 от 120 сколько процентов
Журналы алтайского государственного университета
Билеты ав экзамены
Фильеры для волочения 133 фотографий


























































































































