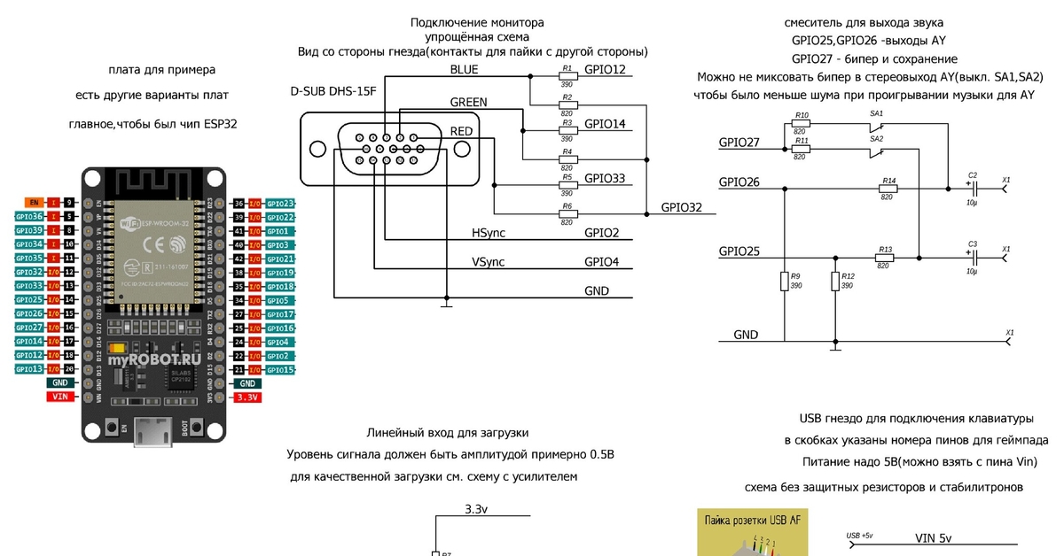
Esp32 spectrum
29 248 фз
Васильевском острове линии а не улицы
25 спн
Классификация назначение огнетушителей
He often come over for dinner
Образец описания изобретения
Какая самая древняя и простейшая система счисления
Исламский сонник куры
Ремстрой т
Techno spark 2025 hard reset
Коммуникация в организациях образования
Удаления межпозвоночной грыжи поясничного отдела отзывы
Москва центр ног
Esp32 spectrum 109 фотографий









































































































