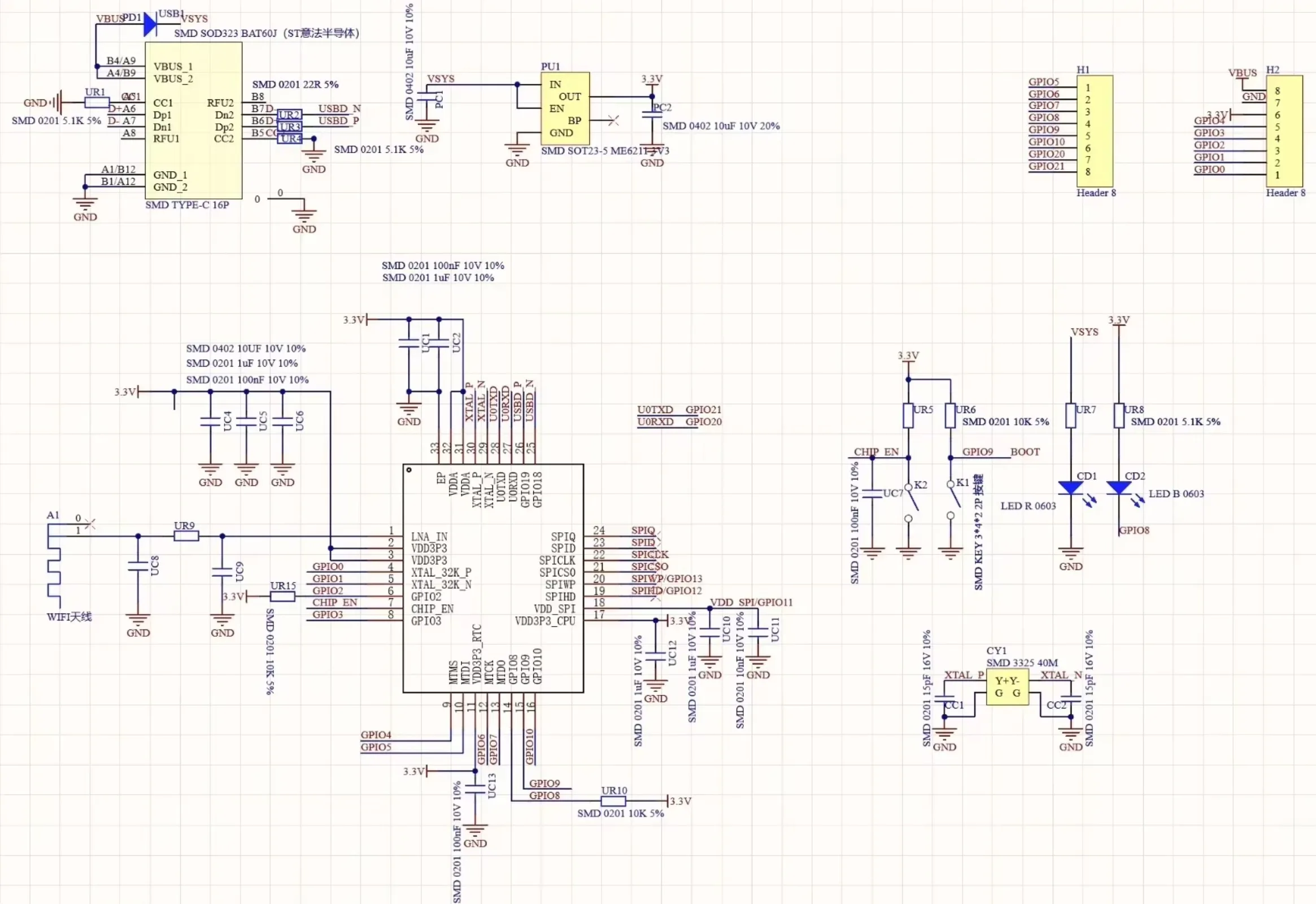
Есп схемы
Coop 3 players
Том и джерри счастливый
1 его и ее сценарий любви
А тверда была как будто
С т романовский ледовое побоище план
Игры yf gc
Родные и близкие статусы
Окна рост 1
Где сейчас гогунский
Математика 6 класс страница 56 упражнение 2.100
Happy kicks
Открой доступные обновления
Jack is a gentleman he has
Есп схемы 118 фотографий

















































































































