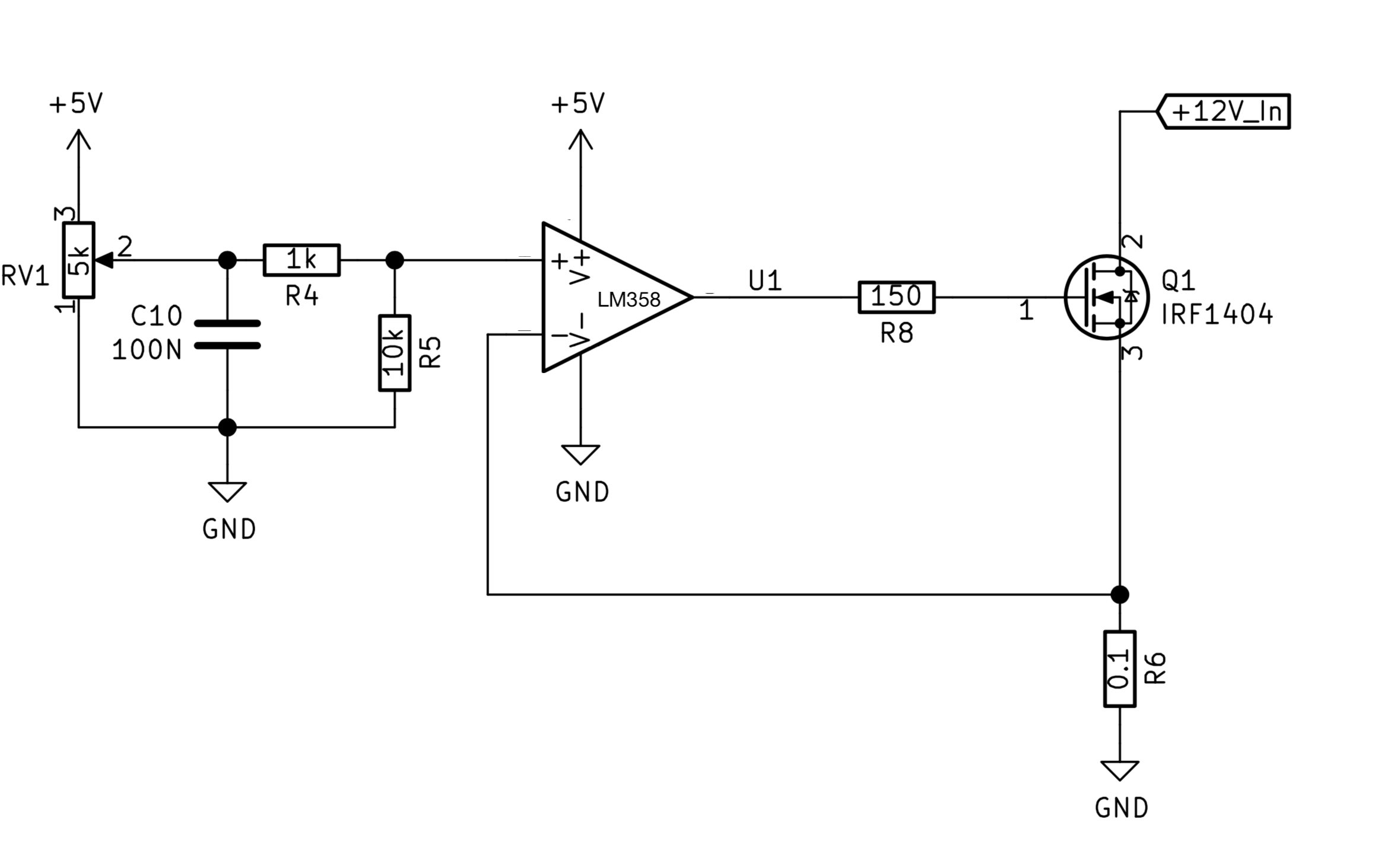
Electronic Load Circuit
Nippple Slips
Virtual Girlfriend Sex Game
Little Angel Pornhub
Breath play femdom
Adult Xxx Arcade
black sweeties facialized in trio after pussyfucking
Roxy Red Big Tits
Porn 18 Girl Sex
Bubble Butt Booty
Exotic homemade blowjob, blonde, doggystyle sex scene
Anita Bellini Porn
Xxx 18 Ru
Hot Milf Mom Russia
Electronic Load Circuit 104 photos






































































































