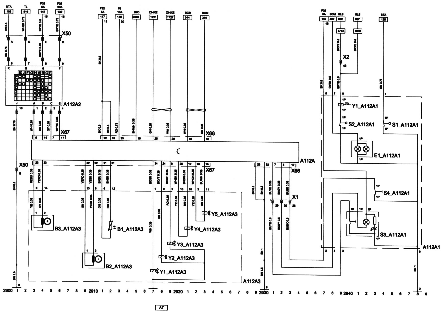
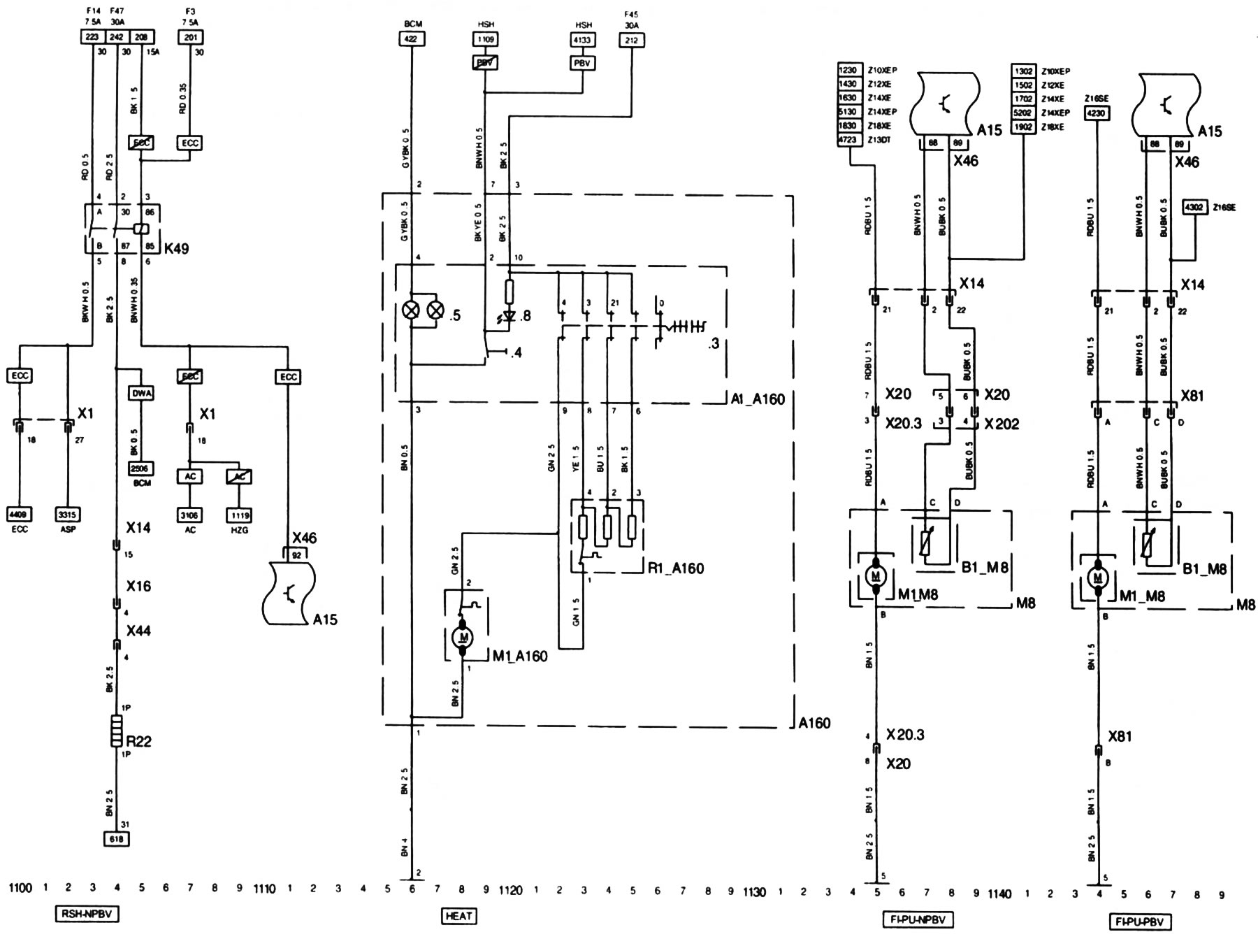
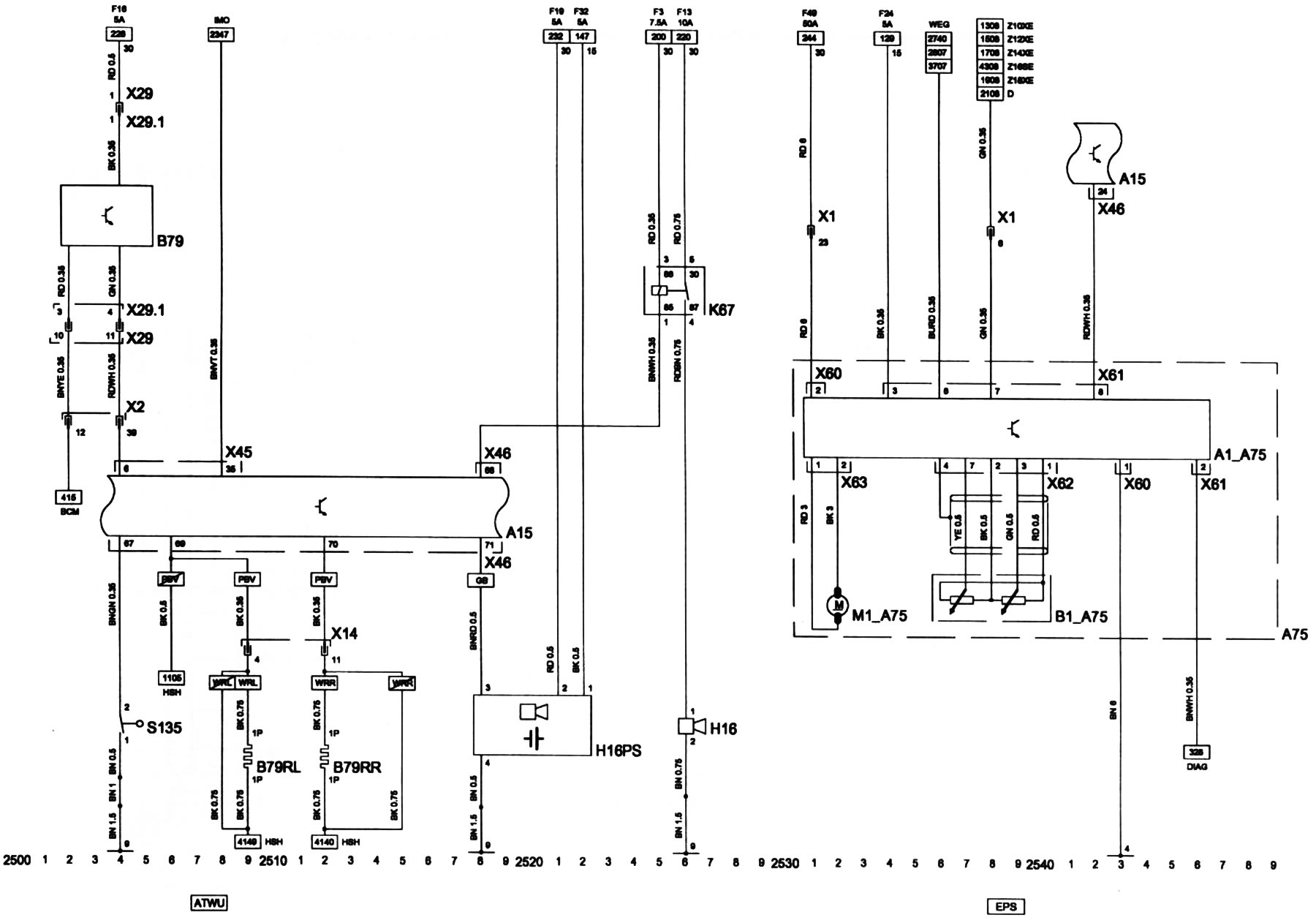
Электросхемы опель корса
Электросхемы опель корса 117 фотографий
Качественный ремонт двигателей
Пока нет что это значит
Журнал от что это
Сколько человек может быть в группе колледжа
Expansion server
Левандовский 9 класс
Снять квартиру в бресте 2х комнатную
Юлдуз усманова дайди ерим мп3
Как дышат дети 7 лет
Everybody текст на русском


















































































































