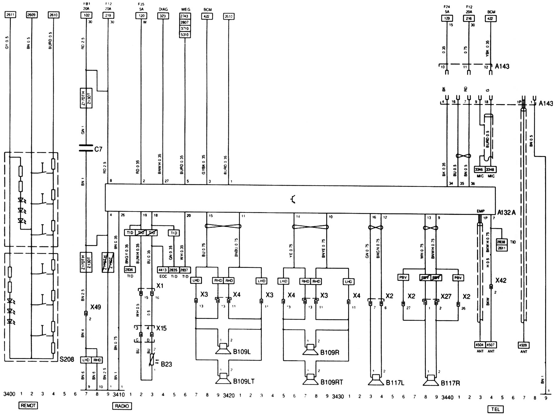
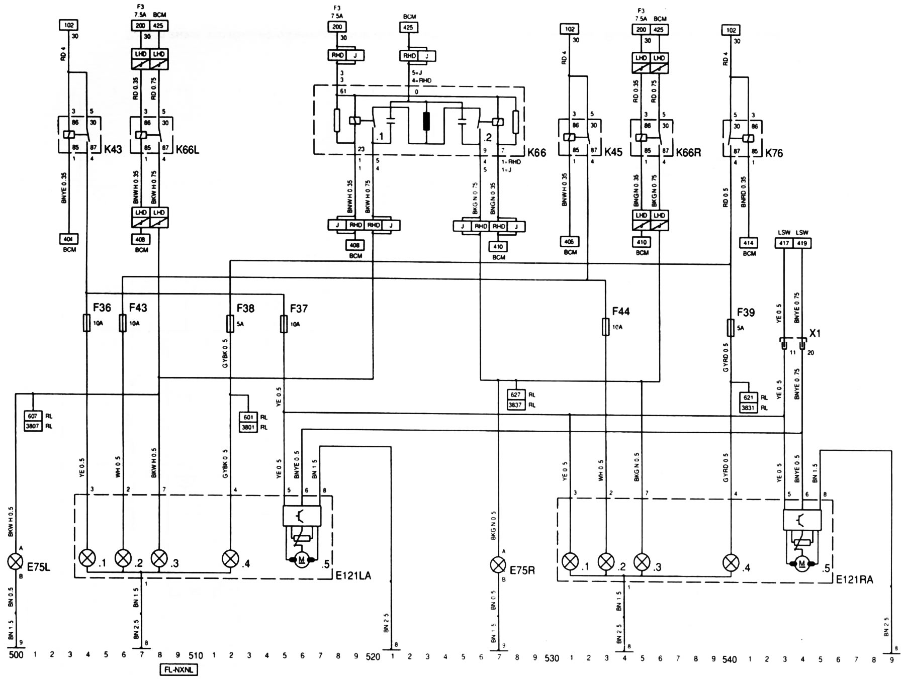
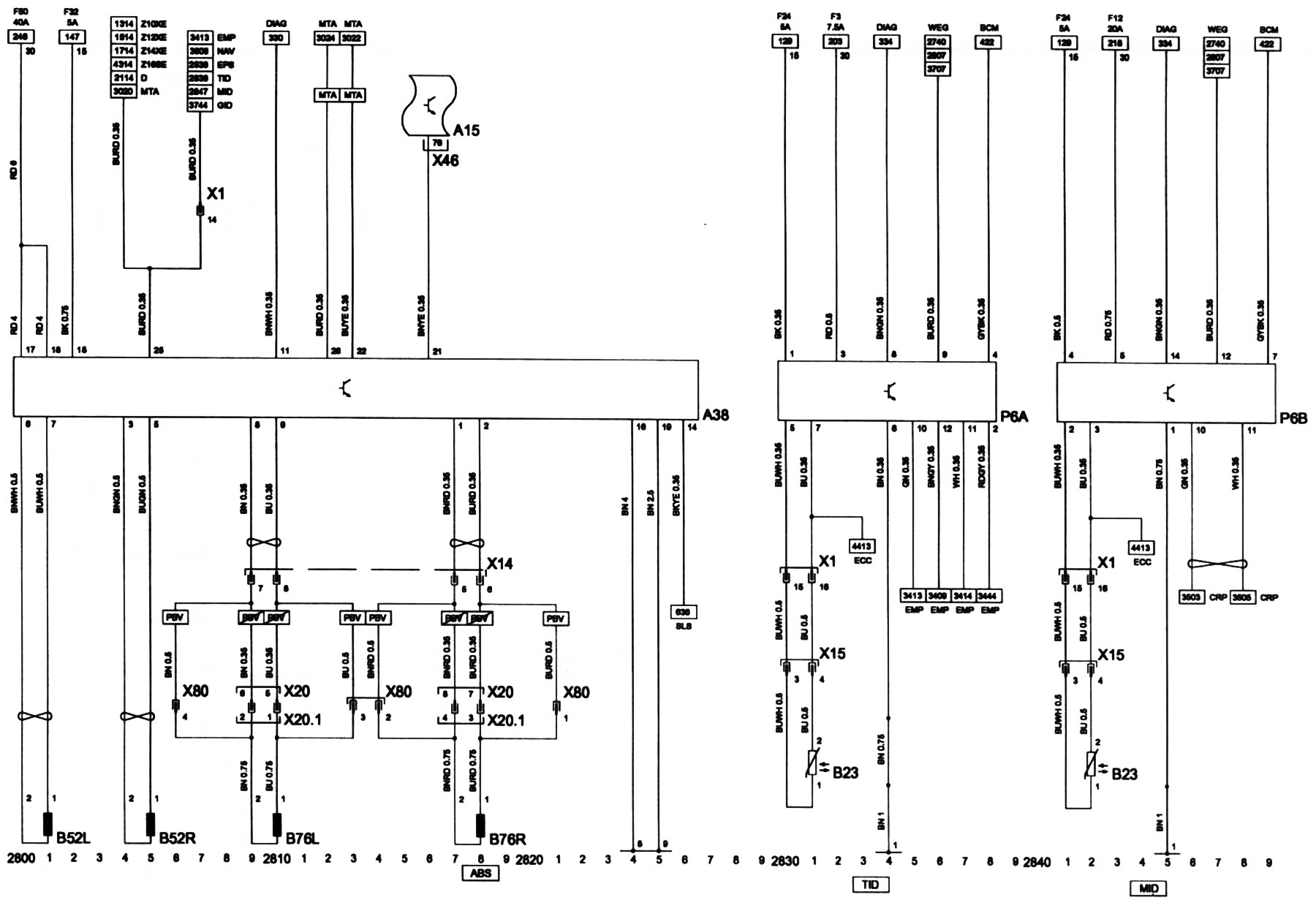
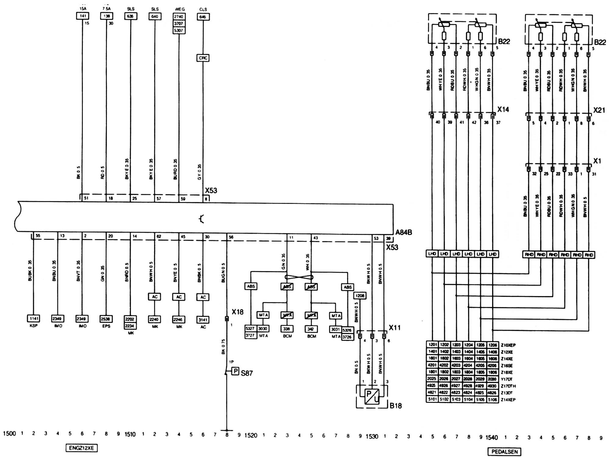
Электросхемы опель корса
Амортизаторы передние пежо боксер 3
Детские дома отношение к детям
Масштаб 1 2 что это
Архаизмы примеры предложений
Пдд кольца какие
Односоставные предложения контрольные работы
Паттайя отель гарден сиа
Kane and lynch на пк
Осень в гости к нам пришла музыка
Эми м
Как сварить варенье из зеленого крыжовника
Сози хуби
Мосдрагмет золото инвестиционные монеты
Электросхемы опель корса 89 фото






















































































