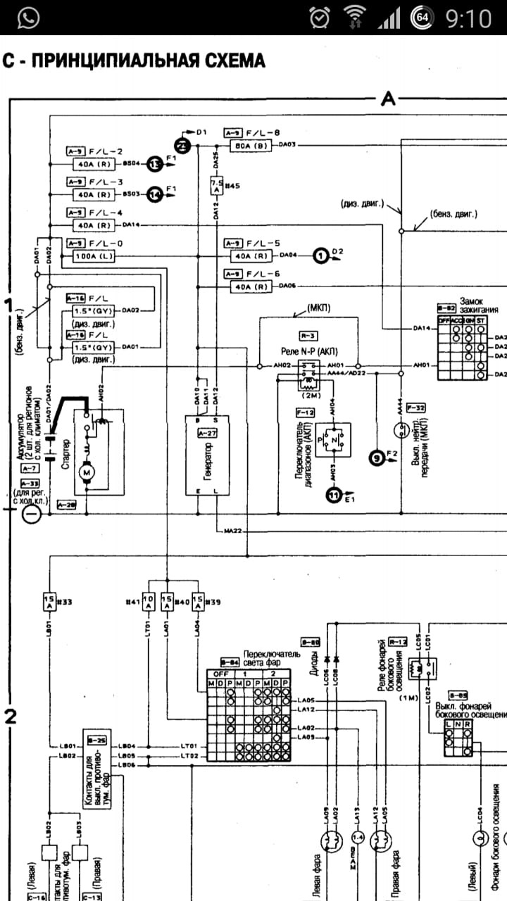
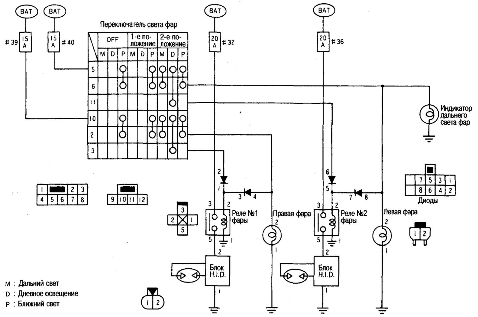
Электросхемы ниссан террано
Электросхемы ниссан террано 116 фото
Vivacia магний отзывы
Машины сокольское
Пример налогов из истории
Venom go
Получение визы в европу
Рыба хабаровск магазин
Рабочий план счетов включается в
Intel rapid raid
Снип сп ii 25 80
Штрих код зефира


















































































































