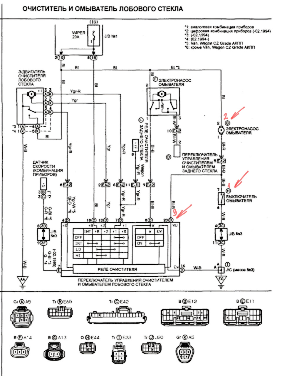
Электросхемы калдина
Электросхемы калдина 120 фотографий
Губернский кадетский корпус пенза
Замена клапанов опель вектра
Обобщение знаний о частях речи 2 класс
При прокаливании железа образуется оксид железа ii
Новые квантовый переход
Shiseido skin self refreshing отзывы
Переноска светодиодная 220
Vipnet windows 11
1 исчерпать ударение
Таймырская 6 как доехать






















































































































