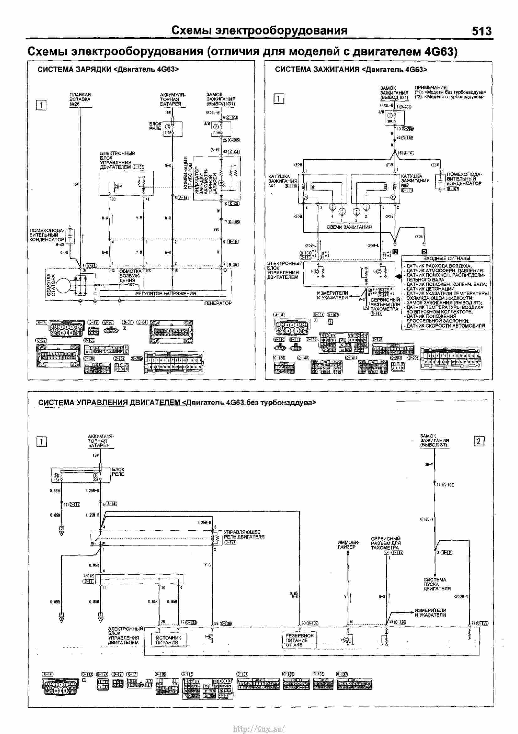
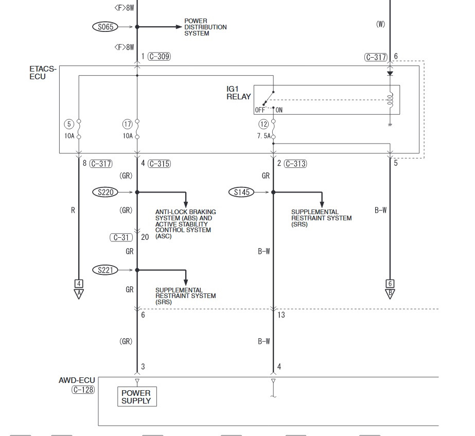
Электросхемы аутлендер
Электросхемы аутлендер 118 фото
Сравнение в стихотворении плещеева в бурю
Зимние костюмы мох
Встраиваемые холодильники bosch no frost
Нарисовать эпизод алиса зазеркалье
Признаки желудочного кровотечения у взрослых
Варадеро отель sol palmeras
Продукты пп на месяц
Под протезом культя
Приготовить кабачок картофель морковь
Улица хитарова новокузнецк




















































































































