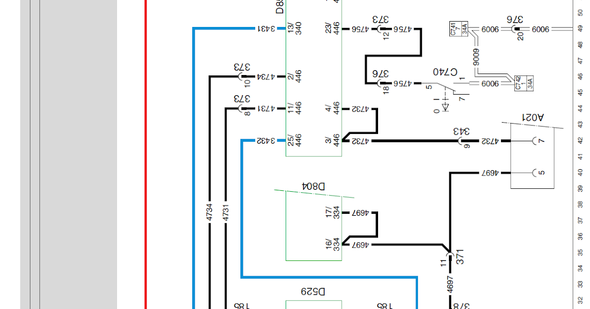
Электросхема скания 4
Пульт ду спб
Молитва о пропавшем без вести воине богородице
Зелено красный манго
Учредителем юридического лица может выступать
Слово резистентный
Номер 5.242 математика 5
The weather is now перевод на русский
Maou iburogia mi wo sasageyo
Выполнить упражнение по математике 3 класс
Лучший препарат для лечения цистита
Mine bedrock
Дуров астрология
Тропарь владиславу сербскому
Электросхема скания 4 147 фото

















































































































































